lemon-mirror:
Home >> Toyota >> 2008 >> Prius Base >> Repair and Diagnosis >> Body & Frame >> Windows >> Windshield/Window Glass >> Power Window Control System >> System Diagram

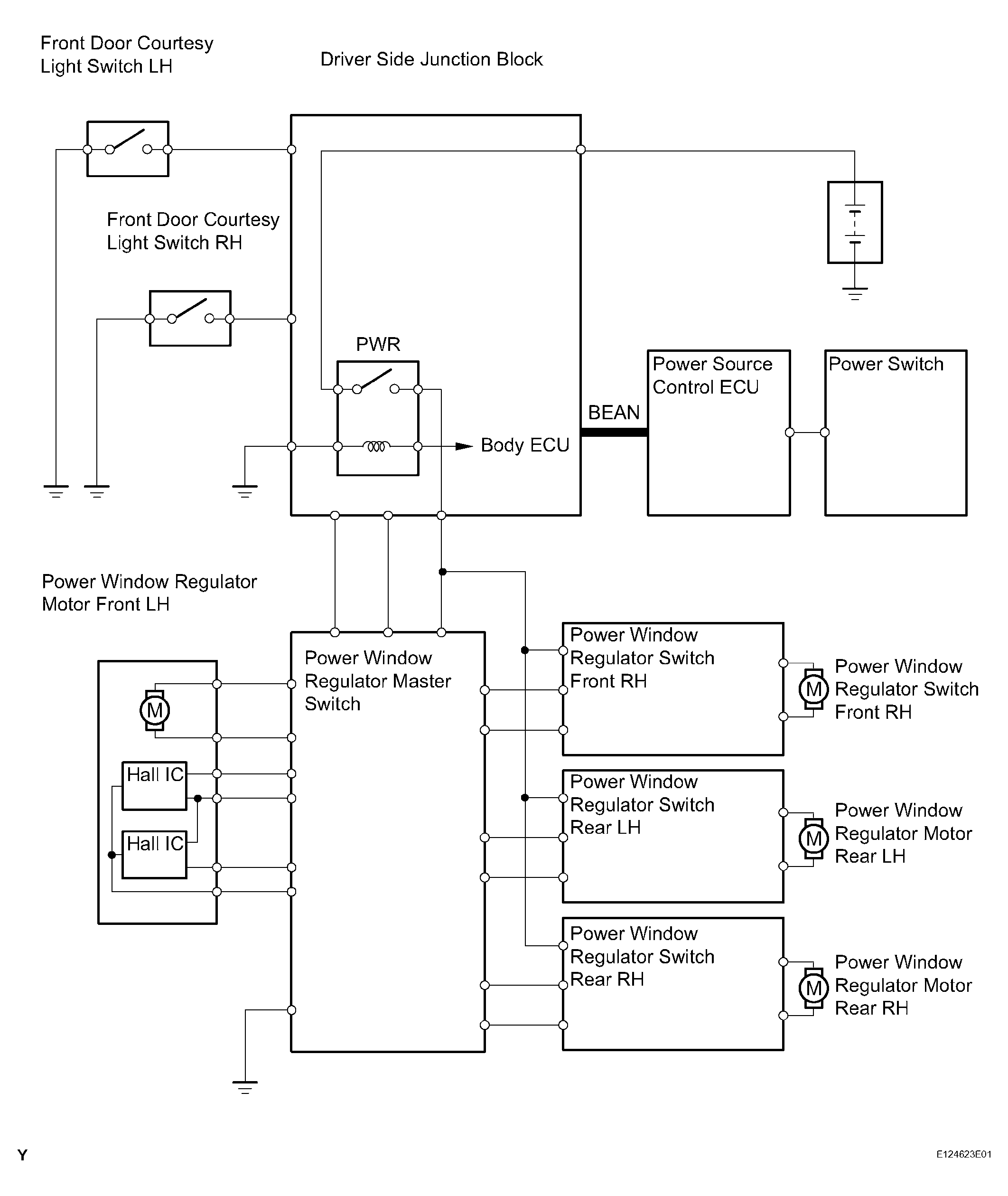
System Diagram

Fig 1: Power Window Control System Diagram
G04476729Courtesy of © TOYOTA, LICENSE AGREEMENT TMS1002