lemon-mirror:
Home >> Toyota >> 2008 >> Prius Base >> Repair and Diagnosis >> Electrical >> Body Electrical >> OEM System Circuits >> Automatic Light Control System >> Notes

Automatic Light Control System: Notes

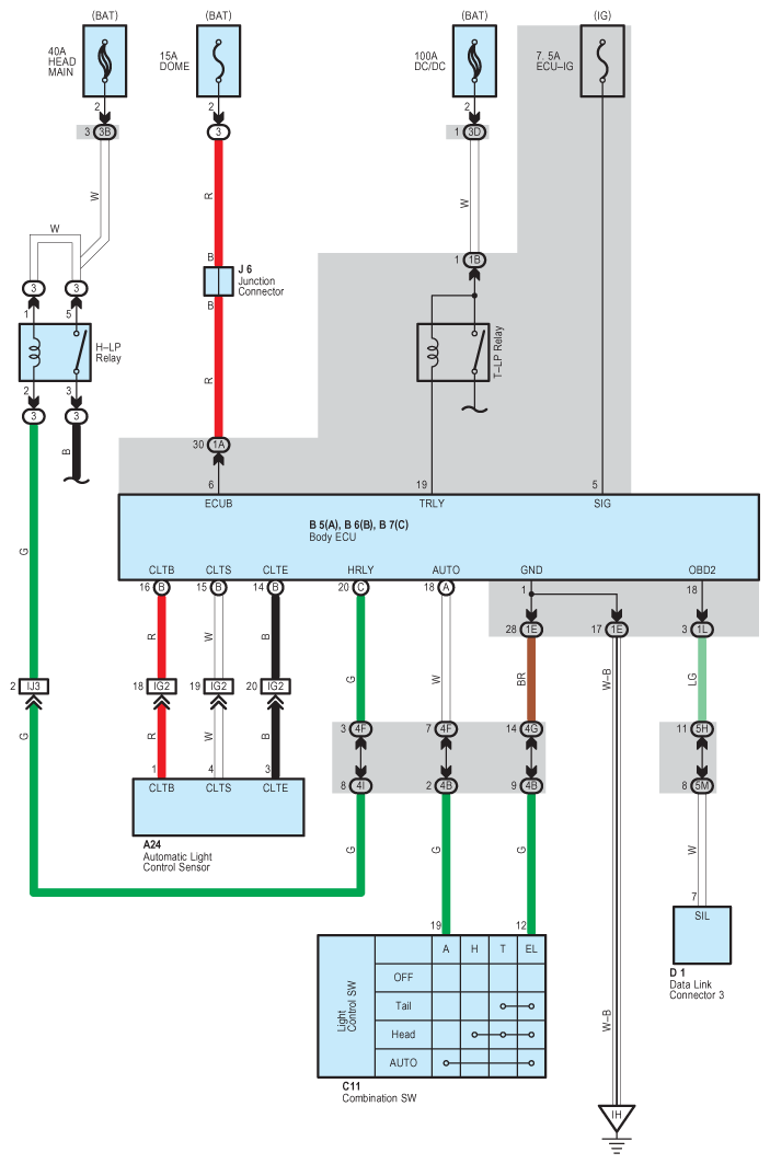
Fig 1: Automatic Light Control - Circuit Diagram
G07577009Courtesy of © TOYOTA, LICENSE AGREEMENT TMS1002