lemon-mirror:
Home >> Toyota >> 2008 >> Prius Base >> Repair and Diagnosis >> Electrical >> Body Electrical >> OEM System Circuits >> Front Wiper and Washer System >> Notes

Front Wiper and Washer System: Notes

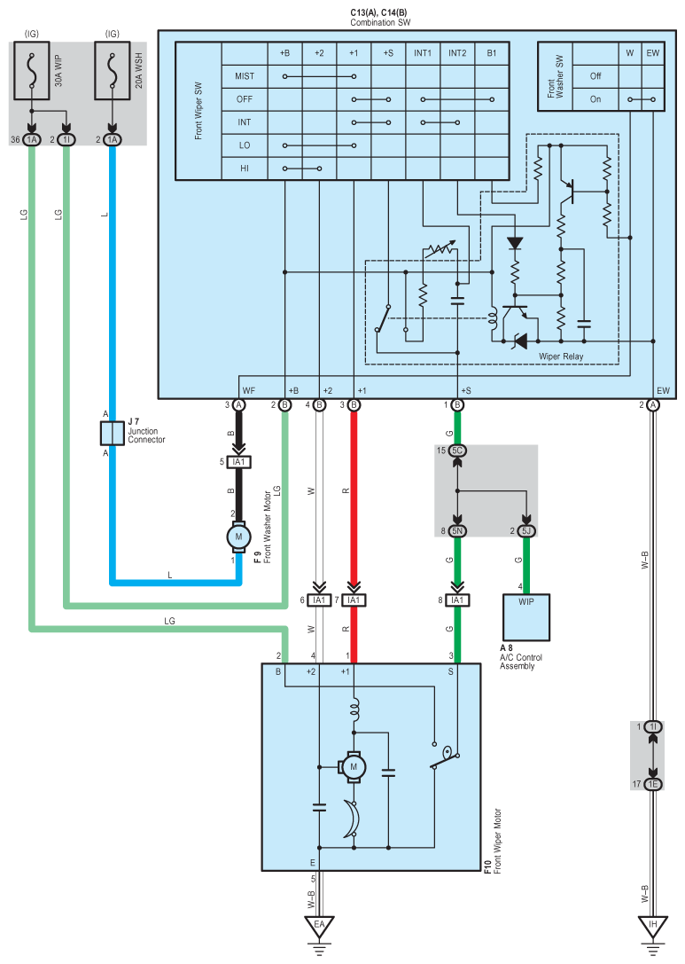
Fig 1: Front Wiper And Washer - Circuit Diagram
G07577030Courtesy of © TOYOTA, LICENSE AGREEMENT TMS1002