lemon-mirror:
Home >> Toyota >> 2008 >> Prius Base >> Repair and Diagnosis >> Electrical >> Body Electrical >> OEM System Circuits >> Power Source System >> Notes

Power Source System: Notes

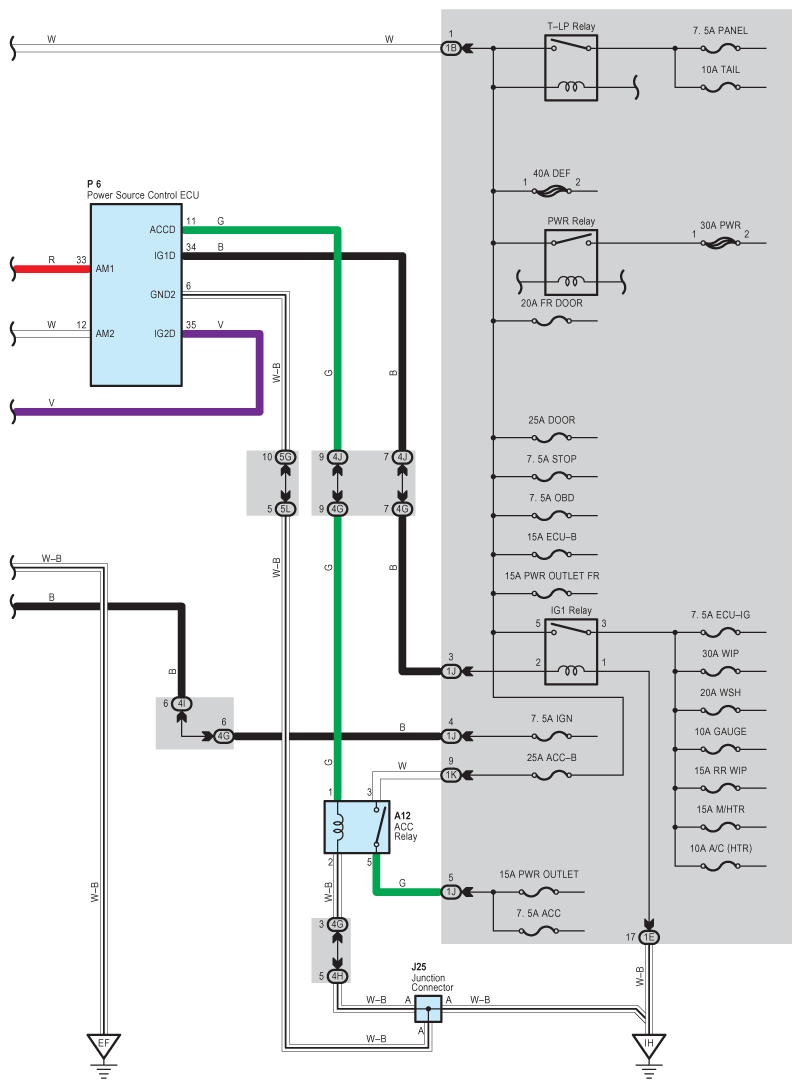
Fig 1: Power Source - Circuit Diagram (1 Of 3)
G07576945Courtesy of © TOYOTA, LICENSE AGREEMENT TMS1002
Fig 2: Power Source - Circuit Diagram (2 Of 3)
G07576946Courtesy of © TOYOTA, LICENSE AGREEMENT TMS1002
Fig 3: Power Source - Circuit Diagram (3 Of 3)
G07576947Courtesy of © TOYOTA, LICENSE AGREEMENT TMS1002