lemon-mirror:
Home >> Toyota >> 2008 >> Prius Base >> Repair and Diagnosis >> Electrical >> Body Electrical >> OEM System Circuits >> Radiator Fan and Condenser Fan System >> Notes

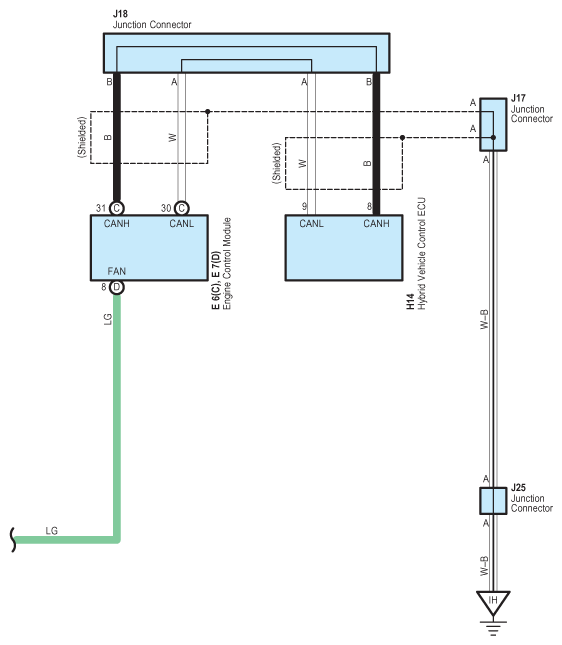
Radiator Fan and Condenser Fan System: Notes

Fig 1: Radiator Fan And Condenser Fan - Circuit Diagram (1 Of 2)
G07577131Courtesy of © TOYOTA, LICENSE AGREEMENT TMS1002
Fig 2: Radiator Fan And Condenser Fan - Circuit Diagram (2 Of 2)
G07577132Courtesy of © TOYOTA, LICENSE AGREEMENT TMS1002