lemon-mirror:
Home >> Toyota >> 2008 >> Prius Base >> Repair and Diagnosis >> Electrical >> Body Electrical >> OEM System Circuits >> Smart Key System and Wireless Door Lock Control System >> Notes

Smart Key System and Wireless Door Lock Control System: Notes

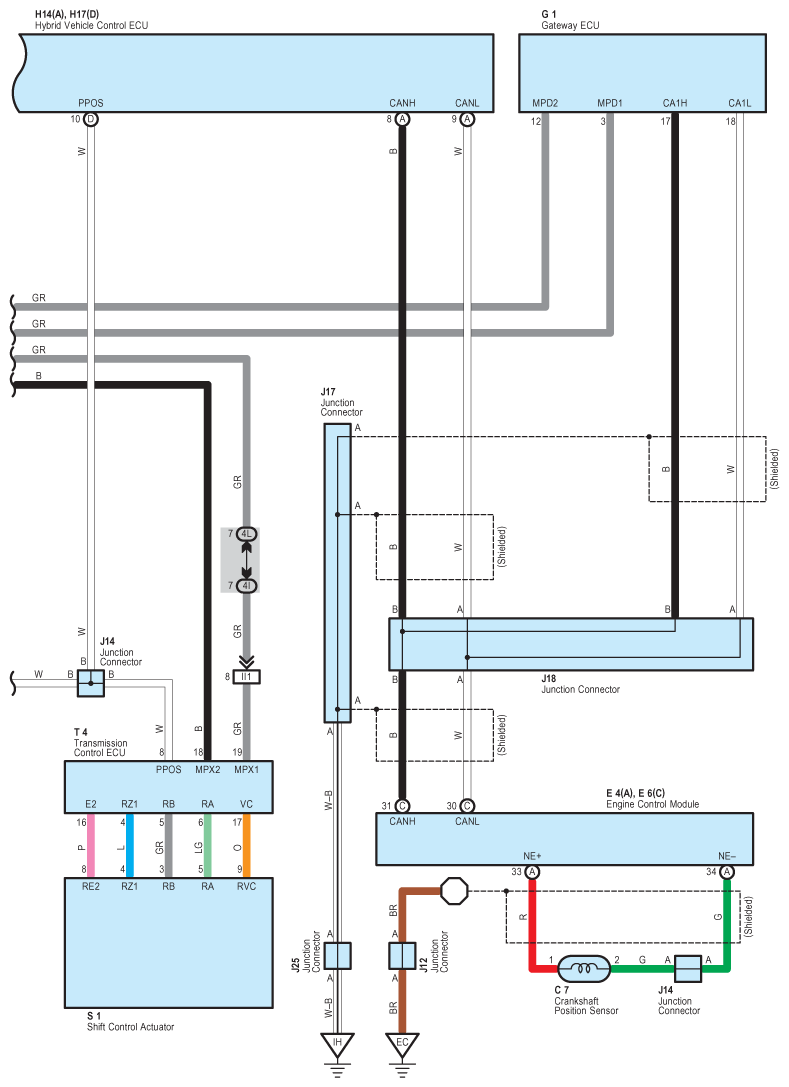
Fig 1: Smart Key System And Wireless Door Lock Control - Circuit Diagram (1 Of 13)
G07577038Courtesy of © TOYOTA, LICENSE AGREEMENT TMS1002
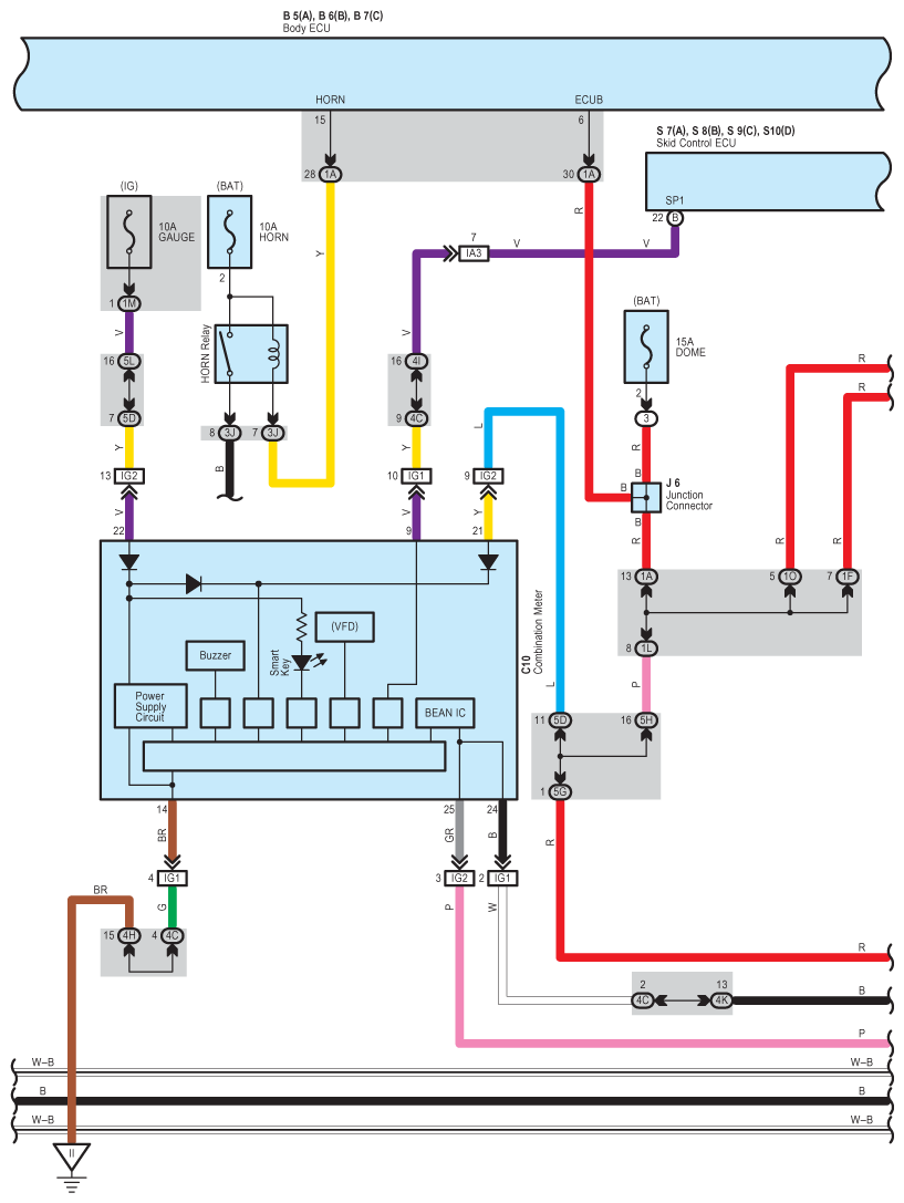
Fig 2: Smart Key System And Wireless Door Lock Control - Circuit Diagram (2 Of 13)
G07577039Courtesy of © TOYOTA, LICENSE AGREEMENT TMS1002
Fig 3: Smart Key System And Wireless Door Lock Control - Circuit Diagram (3 Of 13)
G07577040Courtesy of © TOYOTA, LICENSE AGREEMENT TMS1002
Fig 4: Smart Key System And Wireless Door Lock Control - Circuit Diagram (4 Of 13)
G07577041Courtesy of © TOYOTA, LICENSE AGREEMENT TMS1002
Fig 5: Smart Key System And Wireless Door Lock Control - Circuit Diagram (5 Of 13)
G07577042Courtesy of © TOYOTA, LICENSE AGREEMENT TMS1002
Fig 6: Smart Key System And Wireless Door Lock Control - Circuit Diagram (6 Of 13)
G07577043Courtesy of © TOYOTA, LICENSE AGREEMENT TMS1002
Fig 7: Smart Key System And Wireless Door Lock Control - Circuit Diagram (7 Of 13)
G07577044Courtesy of © TOYOTA, LICENSE AGREEMENT TMS1002
Fig 8: Smart Key System And Wireless Door Lock Control - Circuit Diagram (8 Of 13)
G07577045Courtesy of © TOYOTA, LICENSE AGREEMENT TMS1002
Fig 9: Smart Key System And Wireless Door Lock Control - Circuit Diagram (9 Of 13)
G07577046Courtesy of © TOYOTA, LICENSE AGREEMENT TMS1002
Fig 10: Smart Key System And Wireless Door Lock Control - Circuit Diagram (10 Of 13)
G07577047Courtesy of © TOYOTA, LICENSE AGREEMENT TMS1002
Fig 11: Smart Key System And Wireless Door Lock Control - Circuit Diagram (11 Of 13)
G07577048Courtesy of © TOYOTA, LICENSE AGREEMENT TMS1002
Fig 12: Smart Key System And Wireless Door Lock Control - Circuit Diagram (12 Of 13)
G07577049Courtesy of © TOYOTA, LICENSE AGREEMENT TMS1002
Fig 13: Smart Key System And Wireless Door Lock Control - Circuit Diagram (13 Of 13)
G07577050Courtesy of © TOYOTA, LICENSE AGREEMENT TMS1002