lemon-mirror:
Home >> Toyota >> 2008 >> Prius Base >> Repair and Diagnosis >> Electrical >> Body Electrical >> OEM System Circuits >> TOYOTA Hybrid System >> Notes

TOYOTA Hybrid System: Notes

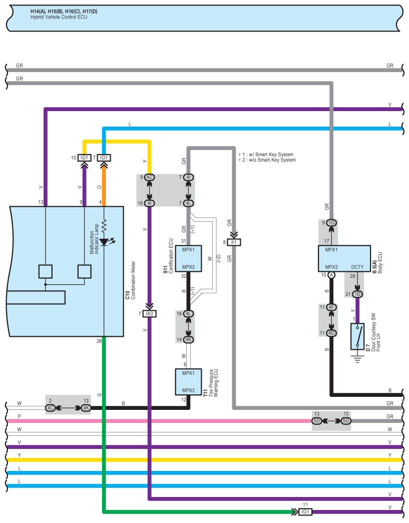
Fig 1: Toyota Hybrid System - Circuit Diagram (1 Of 27)
G07576963Courtesy of © TOYOTA, LICENSE AGREEMENT TMS1002
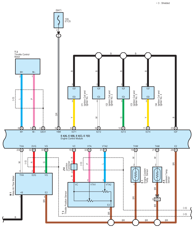
Fig 2: Toyota Hybrid System - Circuit Diagram (2 Of 27)
G07576964Courtesy of © TOYOTA, LICENSE AGREEMENT TMS1002
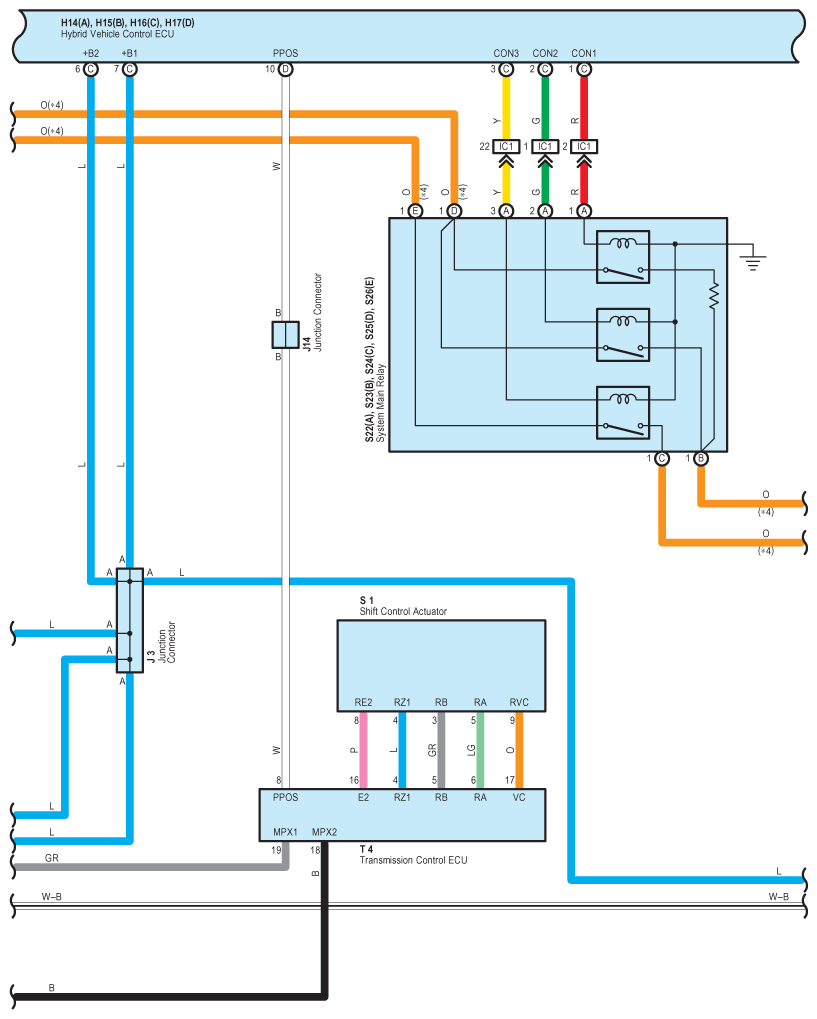
Fig 3: Toyota Hybrid System - Circuit Diagram (3 Of 27)
G07576965Courtesy of © TOYOTA, LICENSE AGREEMENT TMS1002
Fig 4: Toyota Hybrid System - Circuit Diagram (4 Of 27)
G07576966Courtesy of © TOYOTA, LICENSE AGREEMENT TMS1002
Fig 5: Toyota Hybrid System - Circuit Diagram (5 Of 27)
G07576967Courtesy of © TOYOTA, LICENSE AGREEMENT TMS1002
Fig 6: Toyota Hybrid System - Circuit Diagram (6 Of 27)
G07576968Courtesy of © TOYOTA, LICENSE AGREEMENT TMS1002
Fig 7: Toyota Hybrid System - Circuit Diagram (7 Of 27)
G07576969Courtesy of © TOYOTA, LICENSE AGREEMENT TMS1002
Fig 8: Toyota Hybrid System - Circuit Diagram (8 Of 27)
G07576970Courtesy of © TOYOTA, LICENSE AGREEMENT TMS1002
Fig 9: Toyota Hybrid System - Circuit Diagram (9 Of 27)
G07576971Courtesy of © TOYOTA, LICENSE AGREEMENT TMS1002
Fig 10: Toyota Hybrid System - Circuit Diagram (10 Of 27)
G07576972Courtesy of © TOYOTA, LICENSE AGREEMENT TMS1002
Fig 11: Toyota Hybrid System - Circuit Diagram (11 Of 27)
G07576973Courtesy of © TOYOTA, LICENSE AGREEMENT TMS1002
Fig 12: Toyota Hybrid System - Circuit Diagram (12 Of 27)
G07576974Courtesy of © TOYOTA, LICENSE AGREEMENT TMS1002
Fig 13: Toyota Hybrid System - Circuit Diagram (13 Of 27)
G07576975Courtesy of © TOYOTA, LICENSE AGREEMENT TMS1002
Fig 14: Toyota Hybrid System - Circuit Diagram (14 Of 27)
G07576976Courtesy of © TOYOTA, LICENSE AGREEMENT TMS1002
Fig 15: Toyota Hybrid System - Circuit Diagram (15 Of 27)
G07576977Courtesy of © TOYOTA, LICENSE AGREEMENT TMS1002
Fig 16: Toyota Hybrid System - Circuit Diagram (16 Of 27)
G07576978Courtesy of © TOYOTA, LICENSE AGREEMENT TMS1002
Fig 17: Toyota Hybrid System - Circuit Diagram (17 Of 27)
G07576979Courtesy of © TOYOTA, LICENSE AGREEMENT TMS1002
Fig 18: Toyota Hybrid System - Circuit Diagram (18 Of 27)
G07576980Courtesy of © TOYOTA, LICENSE AGREEMENT TMS1002
Fig 19: Toyota Hybrid System - Circuit Diagram (19 Of 27)
G07576981Courtesy of © TOYOTA, LICENSE AGREEMENT TMS1002
Fig 20: Toyota Hybrid System - Circuit Diagram (20 Of 27)
G07576982Courtesy of © TOYOTA, LICENSE AGREEMENT TMS1002
Fig 21: Toyota Hybrid System - Circuit Diagram (21 Of 27)
G07576983Courtesy of © TOYOTA, LICENSE AGREEMENT TMS1002
Fig 22: Toyota Hybrid System - Circuit Diagram (22 Of 27)
G07576984Courtesy of © TOYOTA, LICENSE AGREEMENT TMS1002
Fig 23: Toyota Hybrid System - Circuit Diagram (23 Of 27)
G07576985Courtesy of © TOYOTA, LICENSE AGREEMENT TMS1002
Fig 24: Toyota Hybrid System - Circuit Diagram (24 Of 27)
G07576986Courtesy of © TOYOTA, LICENSE AGREEMENT TMS1002
Fig 25: Toyota Hybrid System - Circuit Diagram (25 Of 27)
G07576987Courtesy of © TOYOTA, LICENSE AGREEMENT TMS1002
Fig 26: Toyota Hybrid System - Circuit Diagram (26 Of 27)
G07576988Courtesy of © TOYOTA, LICENSE AGREEMENT TMS1002
Fig 27: Toyota Hybrid System - Circuit Diagram (27 Of 27)
G07576989Courtesy of © TOYOTA, LICENSE AGREEMENT TMS1002