lemon-mirror:
Home >> Toyota >> 2009 >> Avalon XLS >> Repair and Diagnosis >> Electrical >> Body Electrical >> OEM System Circuits >> Dynamic Radar Cruise Control >> Notes

Dynamic Radar Cruise Control: Notes

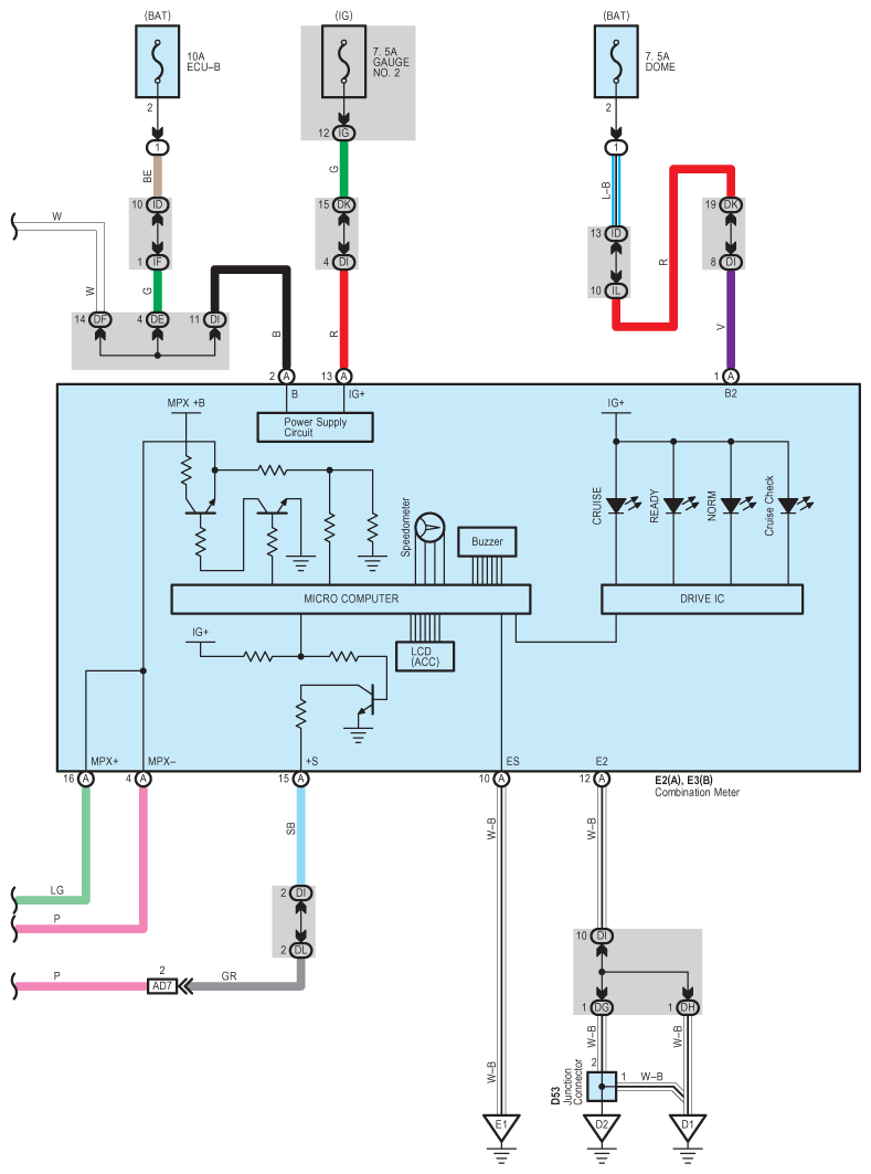
Fig 1: Dynamic Radar Cruise Control - Circuit Diagram (1 Of 14)
G07615221Courtesy of © TOYOTA, LICENSE AGREEMENT TMS1002
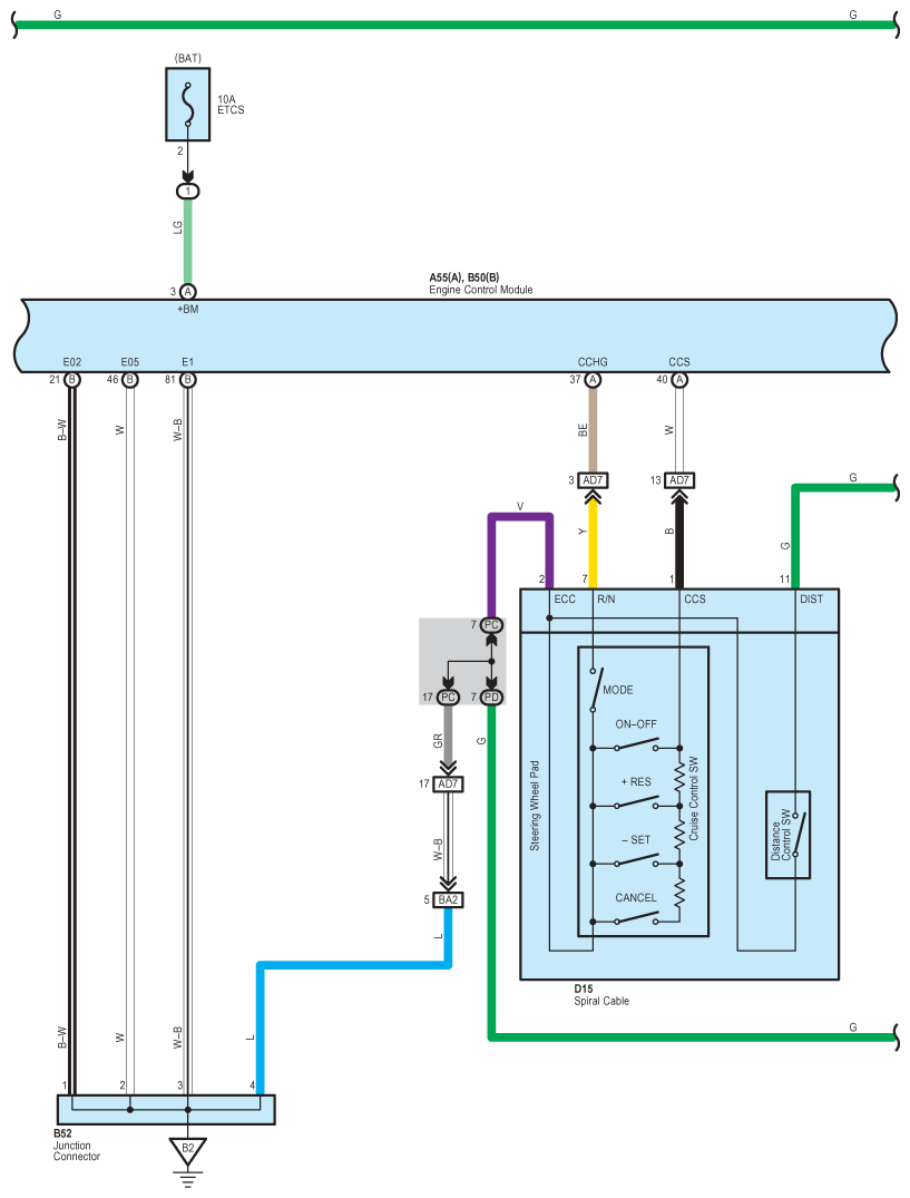
Fig 2: Dynamic Radar Cruise Control - Circuit Diagram (2 Of 14)
G07615222Courtesy of © TOYOTA, LICENSE AGREEMENT TMS1002
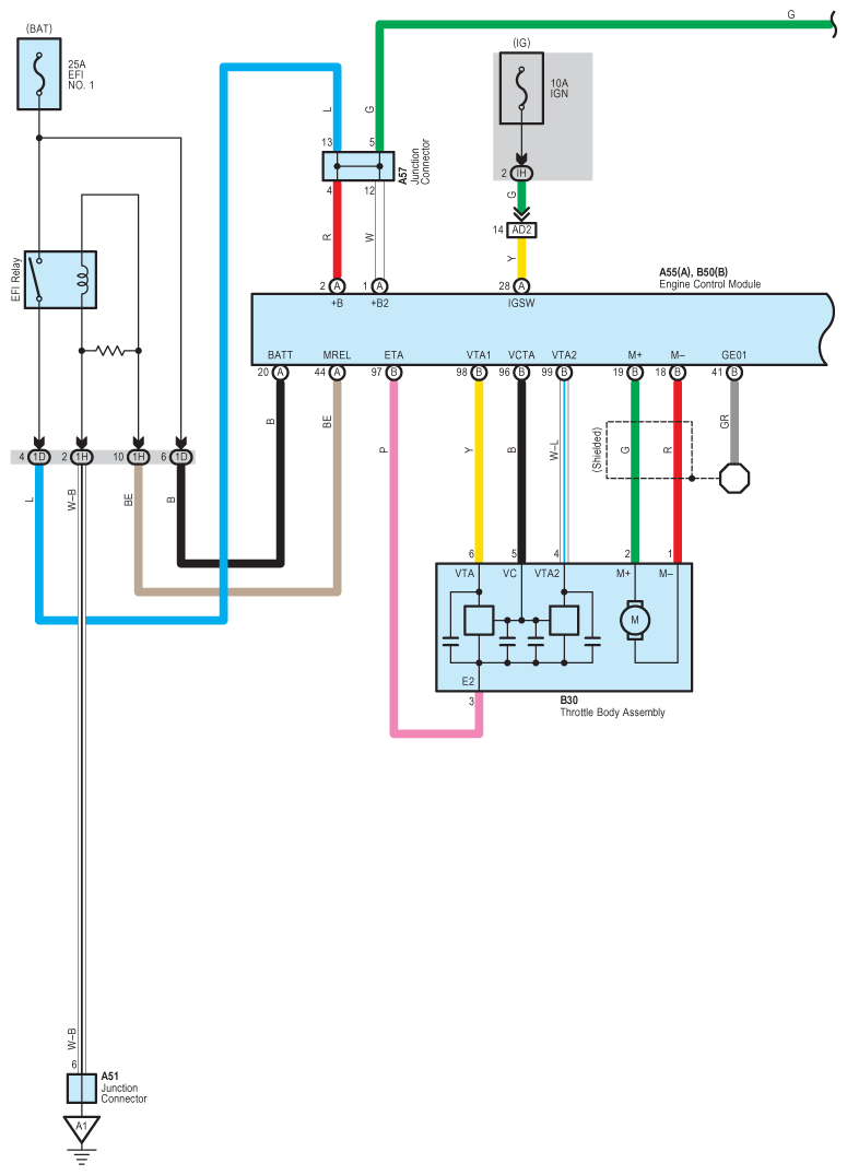
Fig 3: Dynamic Radar Cruise Control - Circuit Diagram (3 Of 14)
G07615223Courtesy of © TOYOTA, LICENSE AGREEMENT TMS1002
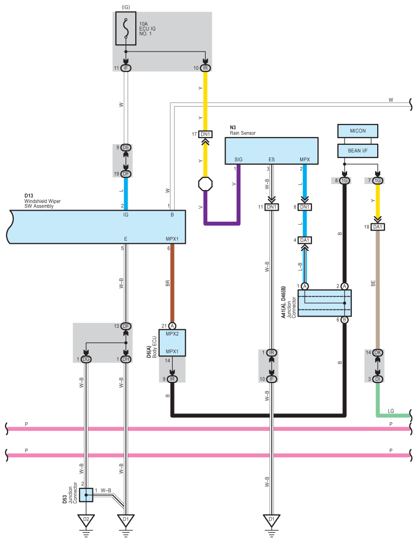
Fig 4: Dynamic Radar Cruise Control - Circuit Diagram (4 Of 14)
G07615224Courtesy of © TOYOTA, LICENSE AGREEMENT TMS1002
Fig 5: Dynamic Radar Cruise Control - Circuit Diagram (5 Of 14)
G07615225Courtesy of © TOYOTA, LICENSE AGREEMENT TMS1002
Fig 6: Dynamic Radar Cruise Control - Circuit Diagram (6 Of 14)
G07615226Courtesy of © TOYOTA, LICENSE AGREEMENT TMS1002
Fig 7: Dynamic Radar Cruise Control - Circuit Diagram (7 Of 14)
G07615227Courtesy of © TOYOTA, LICENSE AGREEMENT TMS1002
Fig 8: Dynamic Radar Cruise Control - Circuit Diagram (8 Of 14)
G07615228Courtesy of © TOYOTA, LICENSE AGREEMENT TMS1002
Fig 9: Dynamic Radar Cruise Control - Circuit Diagram (9 Of 14)
G07615229Courtesy of © TOYOTA, LICENSE AGREEMENT TMS1002
Fig 10: Dynamic Radar Cruise Control - Circuit Diagram (10 Of 14)
G07615230Courtesy of © TOYOTA, LICENSE AGREEMENT TMS1002
Fig 11: Dynamic Radar Cruise Control - Circuit Diagram (11 Of 14)
G07615231Courtesy of © TOYOTA, LICENSE AGREEMENT TMS1002
Fig 12: Dynamic Radar Cruise Control - Circuit Diagram (12 Of 14)
G07615232Courtesy of © TOYOTA, LICENSE AGREEMENT TMS1002
Fig 13: Dynamic Radar Cruise Control - Circuit Diagram (13 Of 14)
G07615233Courtesy of © TOYOTA, LICENSE AGREEMENT TMS1002
Fig 14: Dynamic Radar Cruise Control - Circuit Diagram (14 Of 14)
G07615234Courtesy of © TOYOTA, LICENSE AGREEMENT TMS1002