lemon-mirror:
Home >> Toyota >> 2009 >> Avalon XLS >> Repair and Diagnosis >> Electrical >> Body Electrical >> OEM System Circuits >> Remote Control Mirror (w/ Driving Position Memory) >> Notes

Remote Control Mirror (w/ Driving Position Memory): Notes

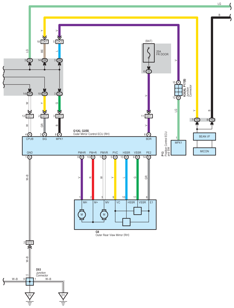
Fig 1: Remote Control Mirror (W/ Driving Position Memory) - Circuit Diagram (1 Of 4)
G07615273Courtesy of © TOYOTA, LICENSE AGREEMENT TMS1002
Fig 2: Remote Control Mirror (W/ Driving Position Memory) - Circuit Diagram (2 Of 4)
G07615274Courtesy of © TOYOTA, LICENSE AGREEMENT TMS1002
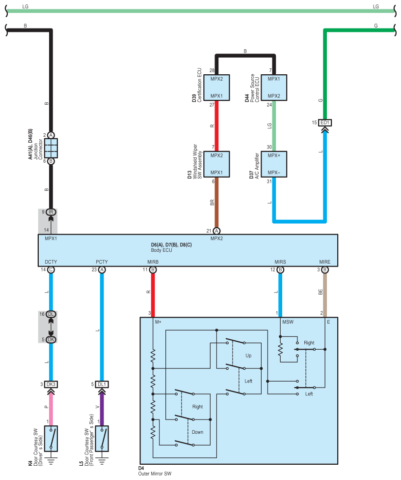
Fig 3: Remote Control Mirror (W/ Driving Position Memory) - Circuit Diagram (3 Of 4)
G07615275Courtesy of © TOYOTA, LICENSE AGREEMENT TMS1002
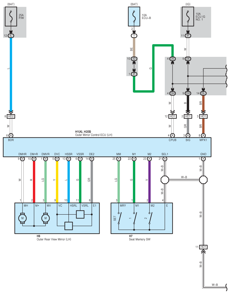
Fig 4: Remote Control Mirror (W/ Driving Position Memory) - Circuit Diagram (4 Of 4)
G07615276Courtesy of © TOYOTA, LICENSE AGREEMENT TMS1002