lemon-mirror:
Home >> Toyota >> 2009 >> Land Cruiser >> Repair and Diagnosis >> Electrical >> Body Electrical >> OEM System Circuits >> Remote Control Mirror >> Notes

Remote Control Mirror: Notes

Fig 1: Remote Control Mirror - Circuit Diagram (1 Of 5)
G07623844Courtesy of © TOYOTA, LICENSE AGREEMENT TMS1002
Fig 2: Remote Control Mirror - Circuit Diagram (2 Of 5)
G07623845Courtesy of © TOYOTA, LICENSE AGREEMENT TMS1002
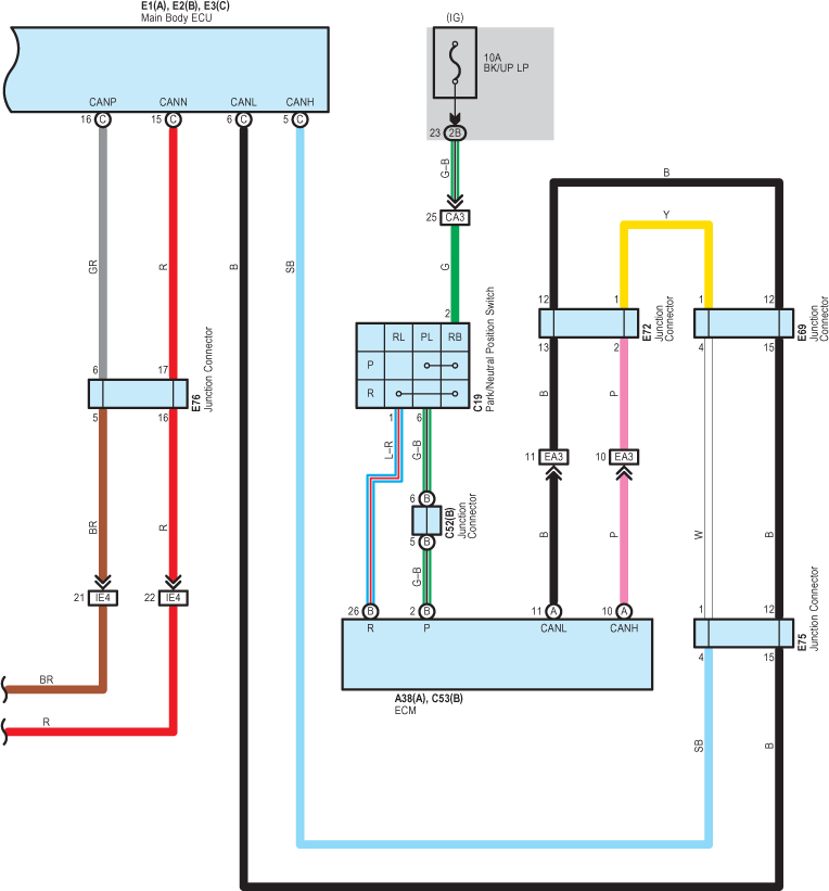
Fig 3: Remote Control Mirror - Circuit Diagram (3 Of 5)
G07623846Courtesy of © TOYOTA, LICENSE AGREEMENT TMS1002
Fig 4: Remote Control Mirror - Circuit Diagram (4 Of 5)
G07623847Courtesy of © TOYOTA, LICENSE AGREEMENT TMS1002
Fig 5: Remote Control Mirror - Circuit Diagram (5 Of 5)
G07623848Courtesy of © TOYOTA, LICENSE AGREEMENT TMS1002