lemon-mirror:
Home >> Toyota >> 2009 >> Land Cruiser >> Repair and Diagnosis >> Electrical >> Body Electrical >> OEM System Circuits >> Trailer Towing >> Notes

Trailer Towing: Notes

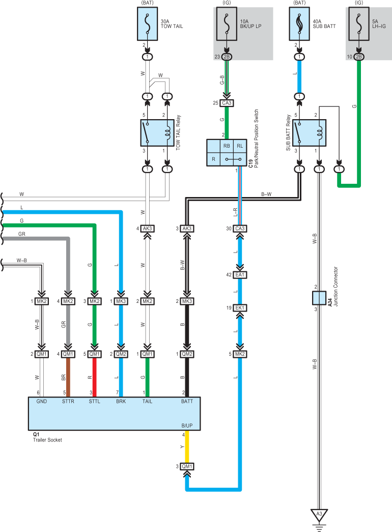
Fig 1: Trailer Towing - Circuit Diagram (1 Of 3)
G07623766Courtesy of © TOYOTA, LICENSE AGREEMENT TMS1002
Fig 2: Trailer Towing - Circuit Diagram (2 Of 3)
G07623767Courtesy of © TOYOTA, LICENSE AGREEMENT TMS1002
Fig 3: Trailer Towing - Circuit Diagram (3 Of 3)
G07623768Courtesy of © TOYOTA, LICENSE AGREEMENT TMS1002