lemon-mirror:
Home >> Toyota >> 2009 >> Matrix Base, Automatic >> Repair and Diagnosis >> Electrical >> Body Electrical >> OEM System Circuits >> Cooling Fan For 2AZ-FE >> Notes

Cooling Fan For 2AZ-FE: Notes

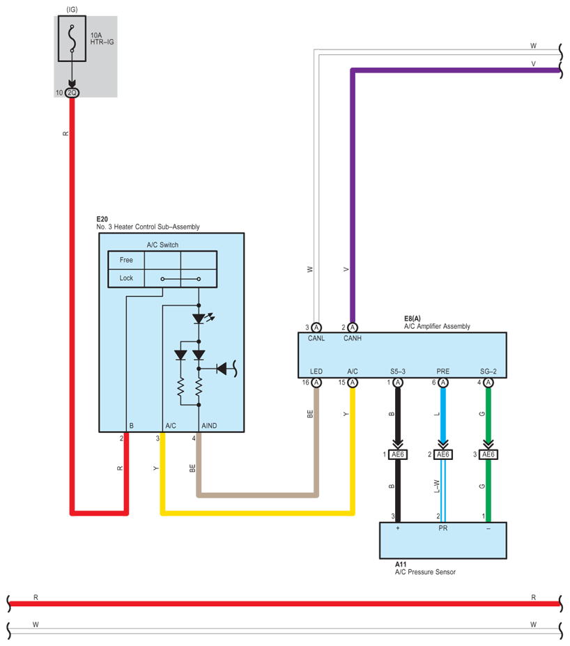
Fig 1: Cooling Fan For 2AZ-FE - Circuit Diagram (1 Of 5)
G07606371Courtesy of © TOYOTA, LICENSE AGREEMENT TMS1002
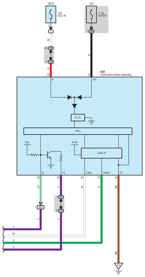
Fig 2: Cooling Fan For 2AZ-FE - Circuit Diagram (2 Of 5)
G07606372Courtesy of © TOYOTA, LICENSE AGREEMENT TMS1002
Fig 3: Cooling Fan For 2AZ-FE - Circuit Diagram (3 Of 5)
G07606373Courtesy of © TOYOTA, LICENSE AGREEMENT TMS1002
Fig 4: Cooling Fan For 2AZ-FE - Circuit Diagram (4 Of 5)
G07606374Courtesy of © TOYOTA, LICENSE AGREEMENT TMS1002
Fig 5: Cooling Fan For 2AZ-FE - Circuit Diagram (5 Of 5)
G07606375Courtesy of © TOYOTA, LICENSE AGREEMENT TMS1002