lemon-mirror:
Home >> Toyota >> 2009 >> Matrix Base, Automatic >> Repair and Diagnosis >> Electrical >> Body Electrical >> OEM System Circuits >> Seat Belt Warning >> Notes

Seat Belt Warning: Notes

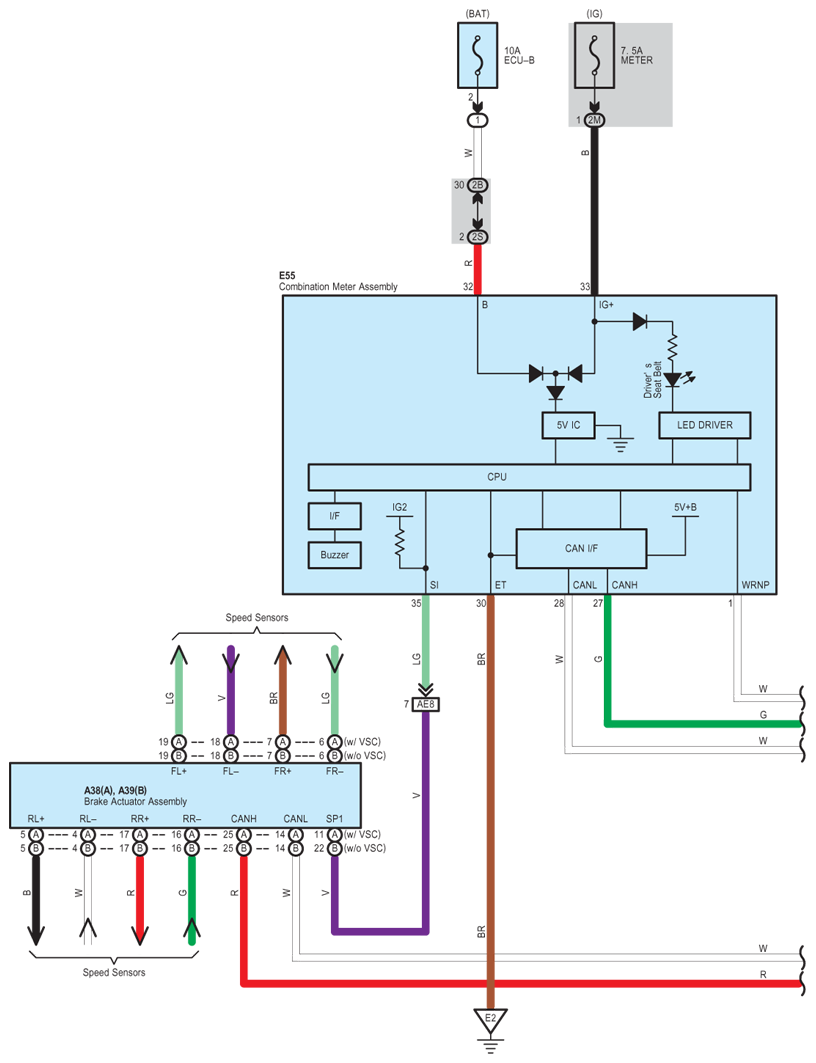
Fig 1: Seat Belt Warning - Circuit Diagram (1 Of 3)
G07606346Courtesy of © TOYOTA, LICENSE AGREEMENT TMS1002
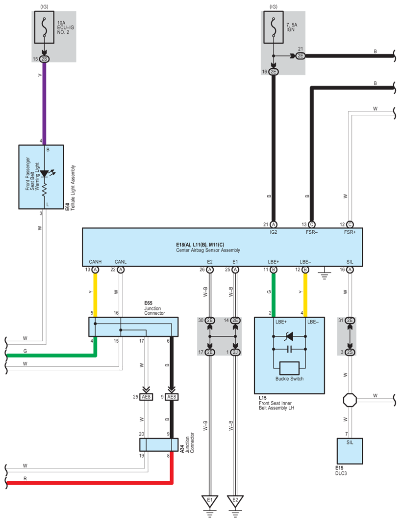
Fig 2: Seat Belt Warning - Circuit Diagram (2 Of 3)
G07606347Courtesy of © TOYOTA, LICENSE AGREEMENT TMS1002
Fig 3: Seat Belt Warning - Circuit Diagram (3 Of 3)
G07606348Courtesy of © TOYOTA, LICENSE AGREEMENT TMS1002