lemon-mirror:
Home >> Toyota >> 2009 >> Matrix Base, Automatic >> Repair and Diagnosis >> Electrical >> Starter >> Starting System (2ZR-FE) >> Starting System >> System Diagram

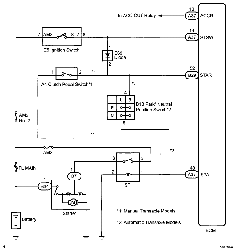
System Diagram

Fig 1: Starting System Diagram
G06040596Courtesy of © TOYOTA, LICENSE AGREEMENT TMS1002