lemon-mirror:
Home >> Toyota >> 2009 >> Matrix XRS, Automatic >> Repair and Diagnosis >> Engine Performance >> Engine Control System (2AZ-FE) >> SFI System >> System Diagram

System Diagram

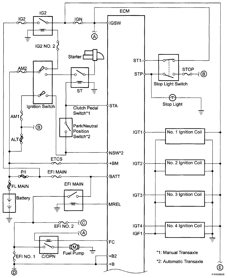
Fig 1: SFI System Diagram (1 Of 3)
G06039953Courtesy of © TOYOTA, LICENSE AGREEMENT TMS1002
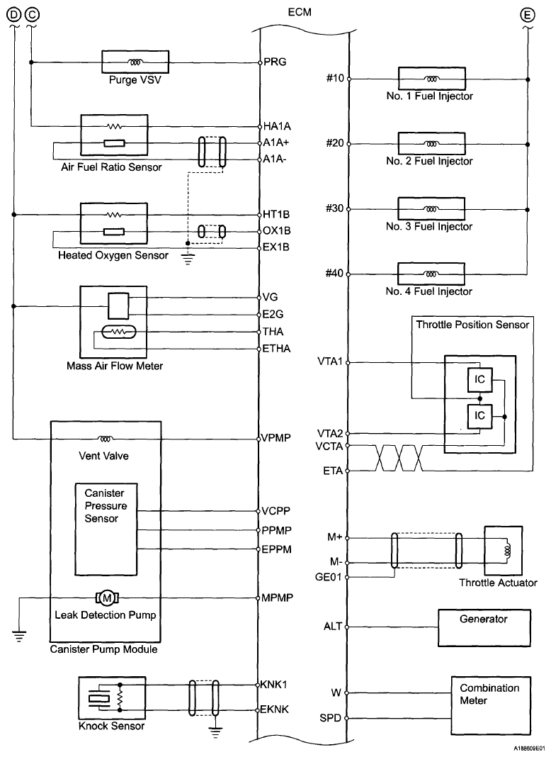
Fig 2: SFI System Diagram (2 Of 3)
G06039954Courtesy of © TOYOTA, LICENSE AGREEMENT TMS1002
Fig 3: SFI System Diagram (3 Of 3)
G06039955Courtesy of © TOYOTA, LICENSE AGREEMENT TMS1002