lemon-mirror:
Home >> Toyota >> 2009 >> Prius Base >> Repair and Diagnosis >> Body & Frame >> Mirrors >> Power Mirror Control System >> System Diagram

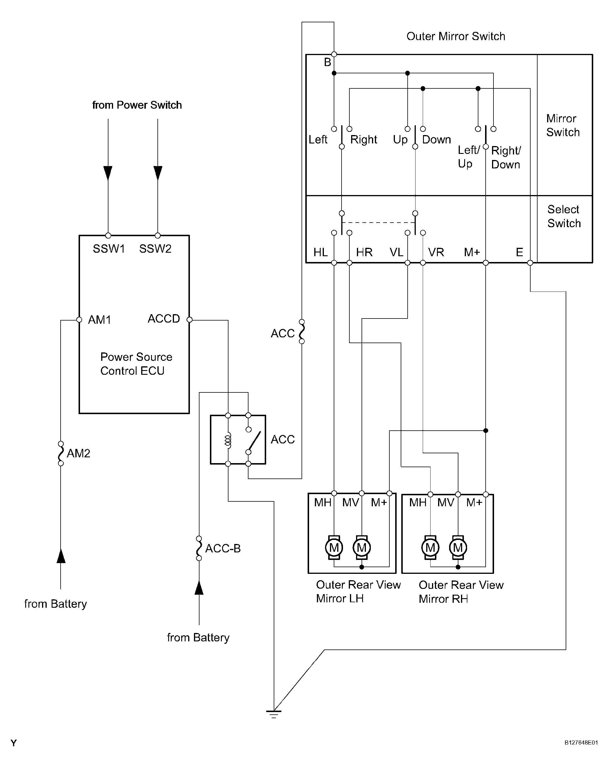
System Diagram

Fig 1: Power Mirror Control System Diagram
G04476854Courtesy of © TOYOTA, LICENSE AGREEMENT TMS1002