lemon-mirror:
Home >> Toyota >> 2009 >> Prius Base >> Repair and Diagnosis >> Electrical >> Body Electrical >> OEM System Circuits >> Automatic Light Control >> Notes

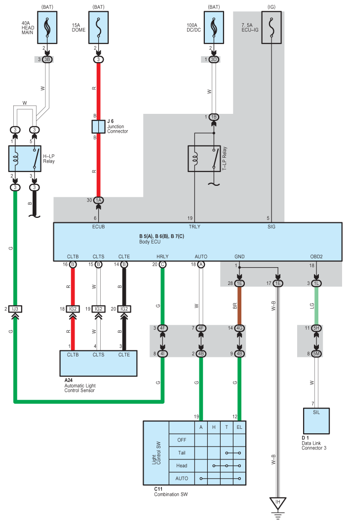
Automatic Light Control: Notes

Fig 1: Automatic Light Control - Circuit Diagram
G07610976Courtesy of © TOYOTA, LICENSE AGREEMENT TMS1002