lemon-mirror:
Home >> Toyota >> 2009 >> Prius Base >> Repair and Diagnosis >> Electrical >> Body Electrical >> OEM System Circuits >> Smart Key System and Wireless Door Lock Control (w/ Smart Key System) >> Notes

Smart Key System and Wireless Door Lock Control (w/ Smart Key System): Notes

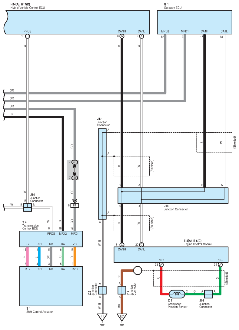
Fig 1: Smart Key System And Wireless Door Lock Control (W/ Smart Key System) - Circuit Diagram (1 Of 13)
G07611005Courtesy of © TOYOTA, LICENSE AGREEMENT TMS1002
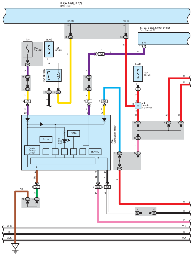
Fig 2: Smart Key System And Wireless Door Lock Control (W/ Smart Key System) - Circuit Diagram (2 Of 13)
G07611006Courtesy of © TOYOTA, LICENSE AGREEMENT TMS1002
Fig 3: Smart Key System And Wireless Door Lock Control (W/ Smart Key System) - Circuit Diagram (3 Of 13)
G07611007Courtesy of © TOYOTA, LICENSE AGREEMENT TMS1002
Fig 4: Smart Key System And Wireless Door Lock Control (W/ Smart Key System) - Circuit Diagram (4 Of 13)
G07611008Courtesy of © TOYOTA, LICENSE AGREEMENT TMS1002
Fig 5: Smart Key System And Wireless Door Lock Control (W/ Smart Key System) - Circuit Diagram (5 Of 13)
G07611009Courtesy of © TOYOTA, LICENSE AGREEMENT TMS1002
Fig 6: Smart Key System And Wireless Door Lock Control (W/ Smart Key System) - Circuit Diagram (6 Of 13)
G07611010Courtesy of © TOYOTA, LICENSE AGREEMENT TMS1002
Fig 7: Smart Key System And Wireless Door Lock Control (W/ Smart Key System) - Circuit Diagram (7 Of 13)
G07611011Courtesy of © TOYOTA, LICENSE AGREEMENT TMS1002
Fig 8: Smart Key System And Wireless Door Lock Control (W/ Smart Key System) - Circuit Diagram (8 Of 13)
G07611012Courtesy of © TOYOTA, LICENSE AGREEMENT TMS1002
Fig 9: Smart Key System And Wireless Door Lock Control (W/ Smart Key System) - Circuit Diagram (9 Of 13)
G07611013Courtesy of © TOYOTA, LICENSE AGREEMENT TMS1002
Fig 10: Smart Key System And Wireless Door Lock Control (W/ Smart Key System) - Circuit Diagram (10 Of 13)
G07611014Courtesy of © TOYOTA, LICENSE AGREEMENT TMS1002
Fig 11: Smart Key System And Wireless Door Lock Control (W/ Smart Key System) - Circuit Diagram (11 Of 13)
G07611015Courtesy of © TOYOTA, LICENSE AGREEMENT TMS1002
Fig 12: Smart Key System And Wireless Door Lock Control (W/ Smart Key System) - Circuit Diagram (12 Of 13)
G07611016Courtesy of © TOYOTA, LICENSE AGREEMENT TMS1002
Fig 13: Smart Key System And Wireless Door Lock Control (W/ Smart Key System) - Circuit Diagram (13 Of 13)
G07611017Courtesy of © TOYOTA, LICENSE AGREEMENT TMS1002