lemon-mirror:
Home >> Toyota >> 2010 >> Avalon XLS >> Repair and Diagnosis >> Electrical >> Body Electrical >> OEM System Circuits >> Shift Lock >> Notes

Shift Lock: Notes

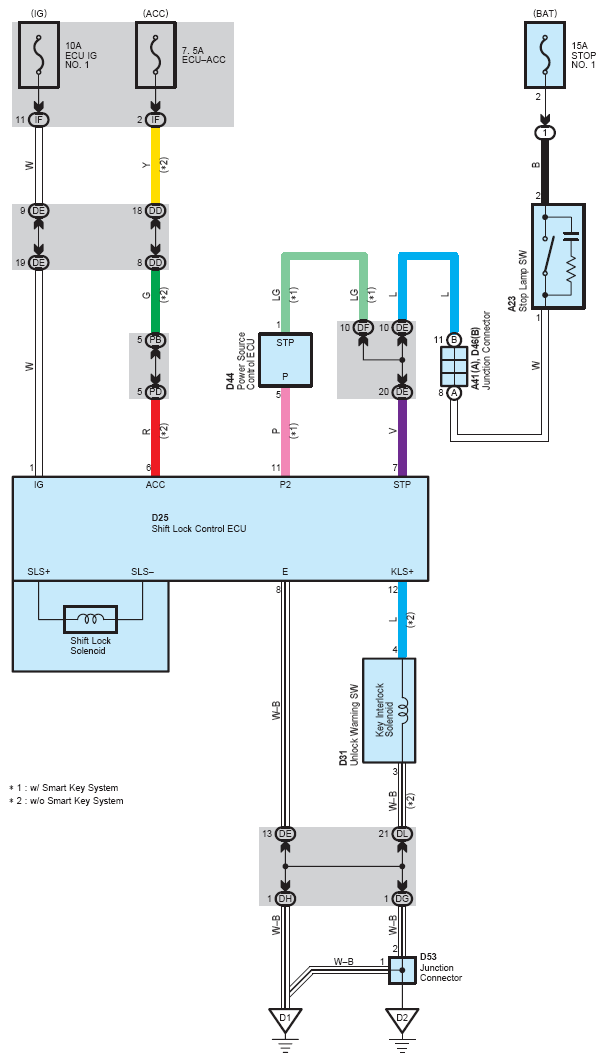
Fig 1: Shift Lock - Circuit Diagram
G07556335Courtesy of © TOYOTA, LICENSE AGREEMENT TMS1002