lemon-mirror:
Home >> Toyota >> 2010 >> Corolla Base, Automatic >> Repair and Diagnosis >> Electrical >> Body Electrical >> OEM System Circuits >> Engine Control (TMC Made) >> Notes

Engine Control (TMC Made): Notes

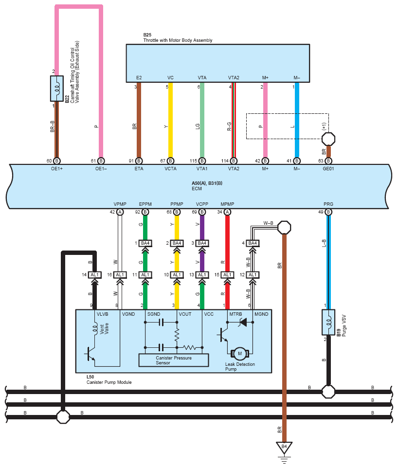
Fig 1: Engine Control (TMC Made) - Circuit Diagram (1 Of 11)
G07551082Courtesy of © TOYOTA, LICENSE AGREEMENT TMS1002
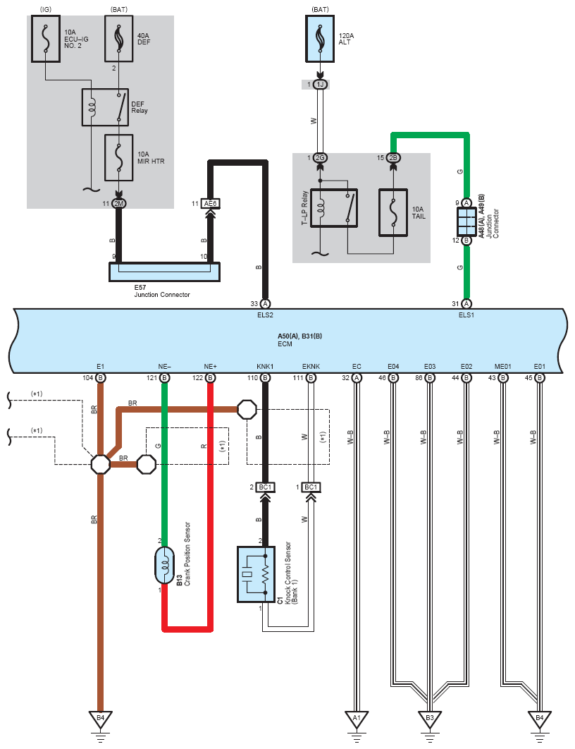
Fig 2: Engine Control (TMC Made) - Circuit Diagram (2 Of 11)
G07551083Courtesy of © TOYOTA, LICENSE AGREEMENT TMS1002
Fig 3: Engine Control (TMC Made) - Circuit Diagram (3 Of 11)
G07551084Courtesy of © TOYOTA, LICENSE AGREEMENT TMS1002
Fig 4: Engine Control (TMC Made) - Circuit Diagram (4 Of 11)
G07551085Courtesy of © TOYOTA, LICENSE AGREEMENT TMS1002
Fig 5: Engine Control (TMC Made) - Circuit Diagram (5 Of 11)
G07551086Courtesy of © TOYOTA, LICENSE AGREEMENT TMS1002
Fig 6: Engine Control (TMC Made) - Circuit Diagram (6 Of 11)
G07551087Courtesy of © TOYOTA, LICENSE AGREEMENT TMS1002
Fig 7: Engine Control (TMC Made) - Circuit Diagram (7 Of 11)
G07551088Courtesy of © TOYOTA, LICENSE AGREEMENT TMS1002
Fig 8: Engine Control (TMC Made) - Circuit Diagram (8 Of 11)
G07551089Courtesy of © TOYOTA, LICENSE AGREEMENT TMS1002
Fig 9: Engine Control (TMC Made) - Circuit Diagram (9 Of 11)
G07551090Courtesy of © TOYOTA, LICENSE AGREEMENT TMS1002
Fig 10: Engine Control (TMC Made) - Circuit Diagram (10 Of 11)
G07551091Courtesy of © TOYOTA, LICENSE AGREEMENT TMS1002
Fig 11: Engine Control (TMC Made) - Circuit Diagram (11 Of 11)
G07551092Courtesy of © TOYOTA, LICENSE AGREEMENT TMS1002