lemon-mirror:
Home >> Toyota >> 2010 >> Corolla Base, Automatic >> Repair and Diagnosis >> Electrical >> Body Electrical >> OEM System Circuits >> Smart Key System (Except TMC Made) >> Notes

Smart Key System (Except TMC Made): Notes

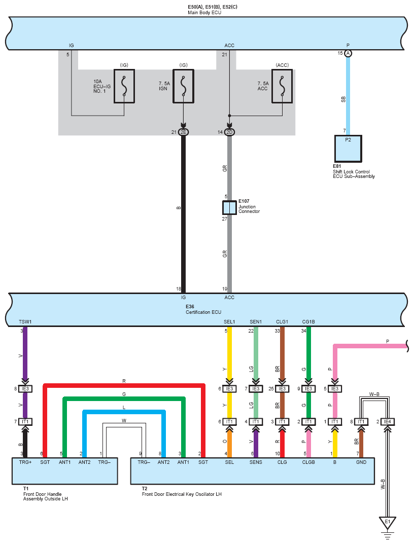
Fig 1: Smart Key System (Except TMC Made) - Circuit Diagram (1 Of 14)
G07551201Courtesy of © TOYOTA, LICENSE AGREEMENT TMS1002
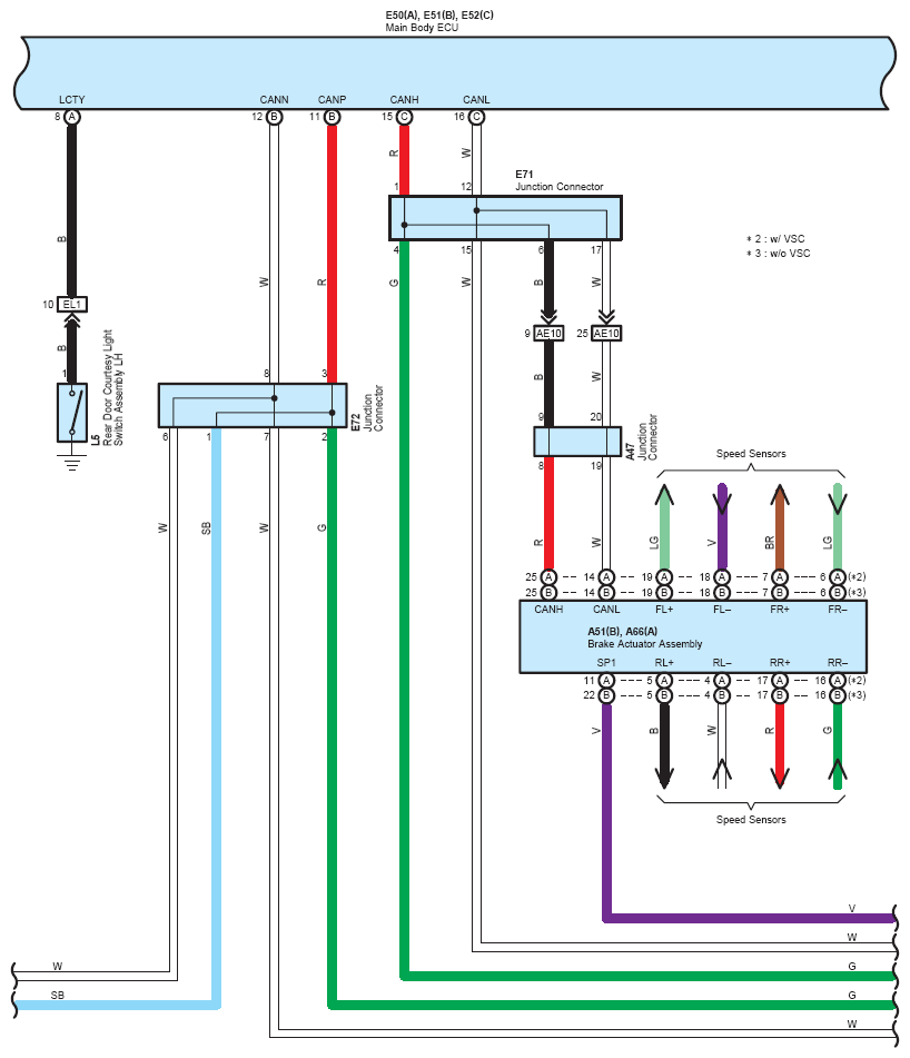
Fig 2: Smart Key System (Except TMC Made) - Circuit Diagram (2 Of 14)
G07551202Courtesy of © TOYOTA, LICENSE AGREEMENT TMS1002
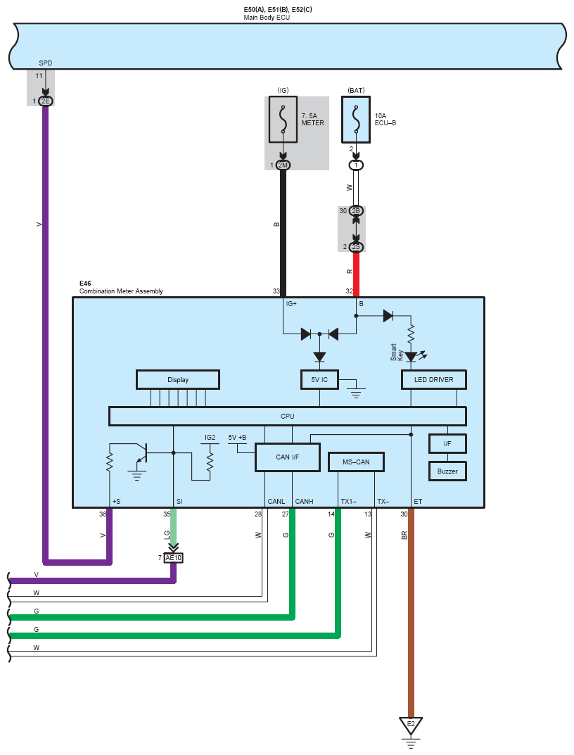
Fig 3: Smart Key System (Except TMC Made) - Circuit Diagram (3 Of 14)
G07551203Courtesy of © TOYOTA, LICENSE AGREEMENT TMS1002
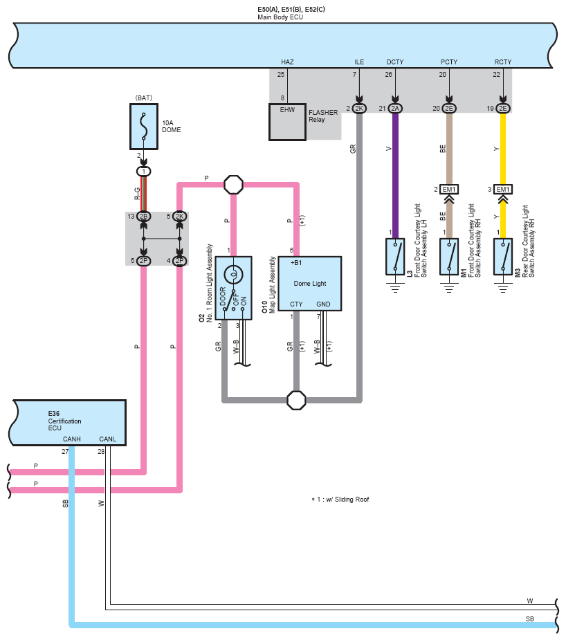
Fig 4: Smart Key System (Except TMC Made) - Circuit Diagram (4 Of 14)
G07551204Courtesy of © TOYOTA, LICENSE AGREEMENT TMS1002
Fig 5: Smart Key System (Except TMC Made) - Circuit Diagram (5 Of 14)
G07551205Courtesy of © TOYOTA, LICENSE AGREEMENT TMS1002
Fig 6: Smart Key System (Except TMC Made) - Circuit Diagram (6 Of 14)
G07551206Courtesy of © TOYOTA, LICENSE AGREEMENT TMS1002
Fig 7: Smart Key System (Except TMC Made) - Circuit Diagram (7 Of 14)
G07551207Courtesy of © TOYOTA, LICENSE AGREEMENT TMS1002
Fig 8: Smart Key System (Except TMC Made) - Circuit Diagram (8 Of 14)
G07551208Courtesy of © TOYOTA, LICENSE AGREEMENT TMS1002
Fig 9: Smart Key System (Except TMC Made) - Circuit Diagram (9 Of 14)
G07551209Courtesy of © TOYOTA, LICENSE AGREEMENT TMS1002
Fig 10: Smart Key System (Except TMC Made) - Circuit Diagram (10 Of 14)
G07551210Courtesy of © TOYOTA, LICENSE AGREEMENT TMS1002
Fig 11: Smart Key System (Except TMC Made) - Circuit Diagram (11 Of 14)
G07551211Courtesy of © TOYOTA, LICENSE AGREEMENT TMS1002
Fig 12: Smart Key System (Except TMC Made) - Circuit Diagram (12 Of 14)
G07551212Courtesy of © TOYOTA, LICENSE AGREEMENT TMS1002
Fig 13: Smart Key System (Except TMC Made) - Circuit Diagram (13 Of 14)
G07551213Courtesy of © TOYOTA, LICENSE AGREEMENT TMS1002
Fig 14: Smart Key System (Except TMC Made) - Circuit Diagram (14 Of 14)
G07551214Courtesy of © TOYOTA, LICENSE AGREEMENT TMS1002