lemon-mirror:
Home >> Toyota >> 2010 >> Corolla Base, Automatic >> Repair and Diagnosis >> Electrical >> Body Electrical >> OEM System Circuits >> Smart Key System (TMC Made) >> Notes

Smart Key System (TMC Made): Notes

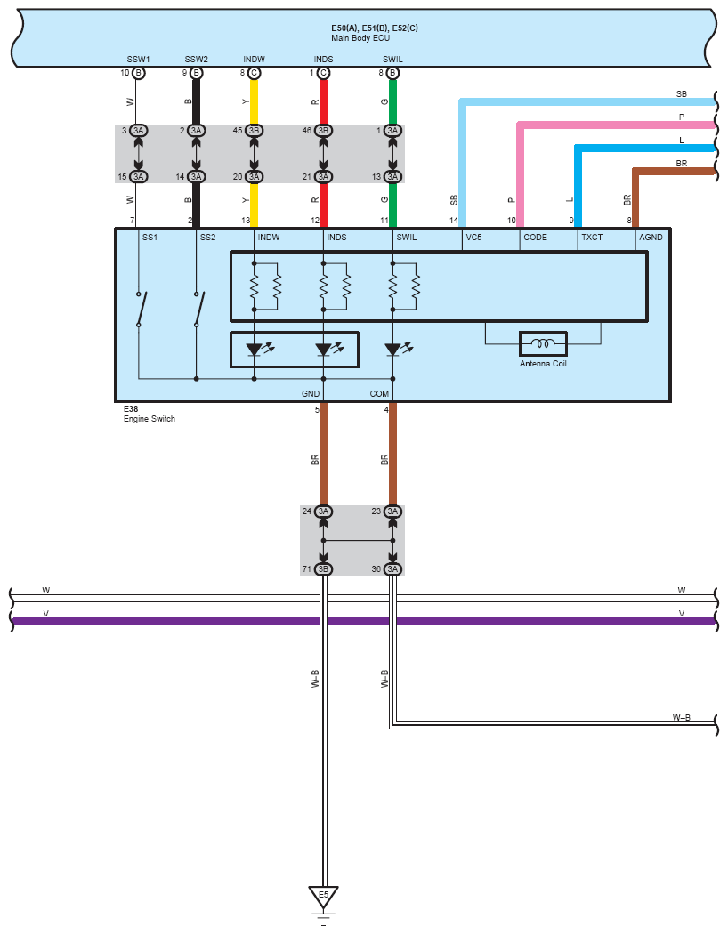
Fig 1: Smart Key System (TMC Made) - Circuit Diagram (1 Of 16)
G07551060Courtesy of © TOYOTA, LICENSE AGREEMENT TMS1002
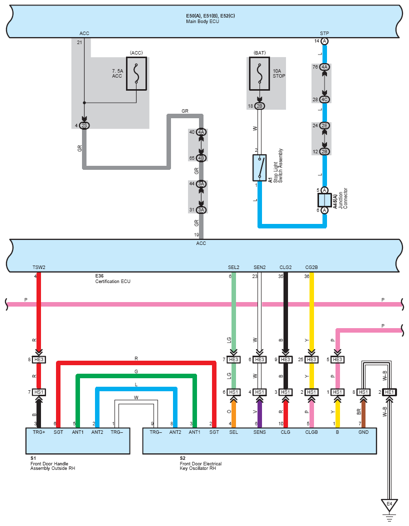
Fig 2: Smart Key System (TMC Made) - Circuit Diagram (2 Of 16)
G07551061Courtesy of © TOYOTA, LICENSE AGREEMENT TMS1002
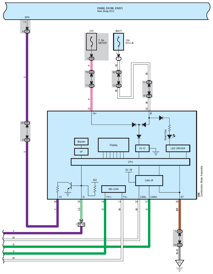
Fig 3: Smart Key System (TMC Made) - Circuit Diagram (3 Of 16)
G07551062Courtesy of © TOYOTA, LICENSE AGREEMENT TMS1002
Fig 4: Smart Key System (TMC Made) - Circuit Diagram (4 Of 16)
G07551063Courtesy of © TOYOTA, LICENSE AGREEMENT TMS1002
Fig 5: Smart Key System (TMC Made) - Circuit Diagram (5 Of 16)
G07551064Courtesy of © TOYOTA, LICENSE AGREEMENT TMS1002
Fig 6: Smart Key System (TMC Made) - Circuit Diagram (6 Of 16)
G07551065Courtesy of © TOYOTA, LICENSE AGREEMENT TMS1002
Fig 7: Smart Key System (TMC Made) - Circuit Diagram (7 Of 16)
G07551066Courtesy of © TOYOTA, LICENSE AGREEMENT TMS1002
Fig 8: Smart Key System (TMC Made) - Circuit Diagram (8 Of 16)
G07551067Courtesy of © TOYOTA, LICENSE AGREEMENT TMS1002
Fig 9: Smart Key System (TMC Made) - Circuit Diagram (9 Of 16)
G07551068Courtesy of © TOYOTA, LICENSE AGREEMENT TMS1002
Fig 10: Smart Key System (TMC Made) - Circuit Diagram (10 Of 16)
G07551069Courtesy of © TOYOTA, LICENSE AGREEMENT TMS1002
Fig 11: Smart Key System (TMC Made) - Circuit Diagram (11 Of 16)
G07551070Courtesy of © TOYOTA, LICENSE AGREEMENT TMS1002
Fig 12: Smart Key System (TMC Made) - Circuit Diagram (12 Of 16)
G07551071Courtesy of © TOYOTA, LICENSE AGREEMENT TMS1002
Fig 13: Smart Key System (TMC Made) - Circuit Diagram (13 Of 16)
G07551072Courtesy of © TOYOTA, LICENSE AGREEMENT TMS1002
Fig 14: Smart Key System (TMC Made) - Circuit Diagram (14 Of 16)
G07551073Courtesy of © TOYOTA, LICENSE AGREEMENT TMS1002
Fig 15: Smart Key System (TMC Made) - Circuit Diagram (15 Of 16)
G07551074Courtesy of © TOYOTA, LICENSE AGREEMENT TMS1002
Fig 16: Smart Key System (TMC Made) - Circuit Diagram (16 Of 16)
G07551075Courtesy of © TOYOTA, LICENSE AGREEMENT TMS1002