lemon-mirror:
Home >> Toyota >> 2010 >> Land Cruiser >> Repair and Diagnosis >> Electrical >> Body Electrical >> OEM System Circuits >> Air Conditioning >> Notes

Air Conditioning: Notes

Fig 1: Air Conditioning - Circuit Diagram (1 Of 14)
G07555835Courtesy of © TOYOTA, LICENSE AGREEMENT TMS1002
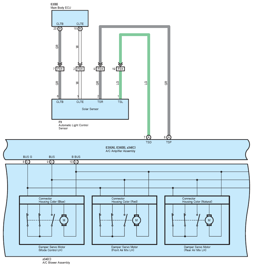
Fig 2: Air Conditioning - Circuit Diagram (2 Of 14)
G07555836Courtesy of © TOYOTA, LICENSE AGREEMENT TMS1002
Fig 3: Air Conditioning - Circuit Diagram (3 Of 14)
G07555837Courtesy of © TOYOTA, LICENSE AGREEMENT TMS1002
Fig 4: Air Conditioning - Circuit Diagram (4 Of 14)
G07555838Courtesy of © TOYOTA, LICENSE AGREEMENT TMS1002
Fig 5: Air Conditioning - Circuit Diagram (5 Of 14)
G07555839Courtesy of © TOYOTA, LICENSE AGREEMENT TMS1002
Fig 6: Air Conditioning - Circuit Diagram (6 Of 14)
G07555840Courtesy of © TOYOTA, LICENSE AGREEMENT TMS1002
Fig 7: Air Conditioning - Circuit Diagram (7 Of 14)
G07555841Courtesy of © TOYOTA, LICENSE AGREEMENT TMS1002
Fig 8: Air Conditioning - Circuit Diagram (8 Of 14)
G07555842Courtesy of © TOYOTA, LICENSE AGREEMENT TMS1002
Fig 9: Air Conditioning - Circuit Diagram (9 Of 14)
G07555843Courtesy of © TOYOTA, LICENSE AGREEMENT TMS1002
Fig 10: Air Conditioning - Circuit Diagram (10 Of 14)
G07555844Courtesy of © TOYOTA, LICENSE AGREEMENT TMS1002
Fig 11: Air Conditioning - Circuit Diagram (11 Of 14)
G07555845Courtesy of © TOYOTA, LICENSE AGREEMENT TMS1002
Fig 12: Air Conditioning - Circuit Diagram (12 Of 14)
G07555846Courtesy of © TOYOTA, LICENSE AGREEMENT TMS1002
Fig 13: Air Conditioning - Circuit Diagram (13 Of 14)
G07555847Courtesy of © TOYOTA, LICENSE AGREEMENT TMS1002
Fig 14: Air Conditioning - Circuit Diagram (14 Of 14)
G07555848Courtesy of © TOYOTA, LICENSE AGREEMENT TMS1002