lemon-mirror:
Home >> Toyota >> 2010 >> Land Cruiser >> Repair and Diagnosis >> Electrical >> Body Electrical >> OEM System Circuits >> Automatic Light Control and Light Auto Turn Off System >> Notes

Automatic Light Control and Light Auto Turn Off System: Notes

Fig 1: Automatic Light Control And Light Auto Turn Off System - Circuit Diagram (1 Of 5)
G07555736Courtesy of © TOYOTA, LICENSE AGREEMENT TMS1002
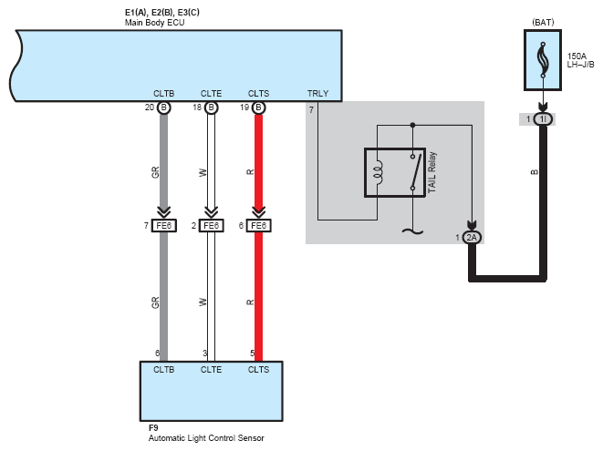
Fig 2: Automatic Light Control And Light Auto Turn Off System - Circuit Diagram (2 Of 5)
G07555737Courtesy of © TOYOTA, LICENSE AGREEMENT TMS1002
Fig 3: Automatic Light Control And Light Auto Turn Off System - Circuit Diagram (3 Of 5)
G07555738Courtesy of © TOYOTA, LICENSE AGREEMENT TMS1002
Fig 4: Automatic Light Control And Light Auto Turn Off System - Circuit Diagram (4 Of 5)
G07555739Courtesy of © TOYOTA, LICENSE AGREEMENT TMS1002
Fig 5: Automatic Light Control And Light Auto Turn Off System - Circuit Diagram (5 Of 5)
G07555740Courtesy of © TOYOTA, LICENSE AGREEMENT TMS1002