lemon-mirror:
Home >> Toyota >> 2010 >> Land Cruiser >> Repair and Diagnosis >> Electrical >> Body Electrical >> OEM System Circuits >> Cool Box >> Notes

Cool Box: Notes

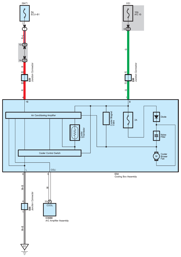
Fig 1: Cool Box - Circuit Diagram
G07555849Courtesy of © TOYOTA, LICENSE AGREEMENT TMS1002