lemon-mirror:
Home >> Toyota >> 2010 >> Land Cruiser >> Repair and Diagnosis >> Electrical >> Body Electrical >> OEM System Circuits >> Power Outlet >> Notes

Power Outlet: Notes

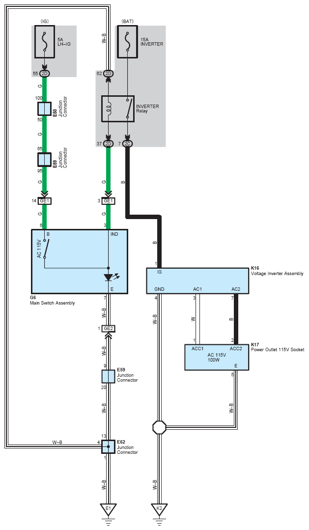
Fig 1: Power Outlet - Circuit Diagram (1 Of 2)
G07555785Courtesy of © TOYOTA, LICENSE AGREEMENT TMS1002
Fig 2: Power Outlet - Circuit Diagram (2 Of 2)
G07555786Courtesy of © TOYOTA, LICENSE AGREEMENT TMS1002