lemon-mirror:
Home >> Toyota >> 2010 >> Land Cruiser >> Repair and Diagnosis >> Electrical >> Body Electrical >> OEM System Circuits >> Power Window >> Notes

Power Window: Notes

Fig 1: Power Window - Circuit Diagram (1 Of 7)
G07555688Courtesy of © TOYOTA, LICENSE AGREEMENT TMS1002
Fig 2: Power Window - Circuit Diagram (2 Of 7)
G07555689Courtesy of © TOYOTA, LICENSE AGREEMENT TMS1002
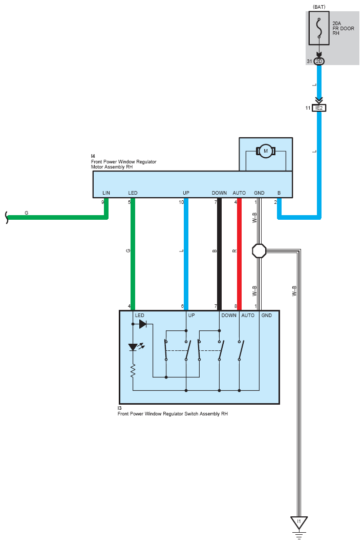
Fig 3: Power Window - Circuit Diagram (3 Of 7)
G07555690Courtesy of © TOYOTA, LICENSE AGREEMENT TMS1002
Fig 4: Power Window - Circuit Diagram (4 Of 7)
G07555691Courtesy of © TOYOTA, LICENSE AGREEMENT TMS1002
Fig 5: Power Window - Circuit Diagram (5 Of 7)
G07555692Courtesy of © TOYOTA, LICENSE AGREEMENT TMS1002
Fig 6: Power Window - Circuit Diagram (6 Of 7)
G07555693Courtesy of © TOYOTA, LICENSE AGREEMENT TMS1002
Fig 7: Power Window - Circuit Diagram (7 Of 7)
G07555694Courtesy of © TOYOTA, LICENSE AGREEMENT TMS1002