lemon-mirror:
Home >> Toyota >> 2010 >> Land Cruiser >> Repair and Diagnosis >> Electrical >> Body Electrical >> OEM System Circuits >> Safety Connect >> Notes

Safety Connect: Notes

Fig 1: Safety Connect - Circuit Diagram (1 Of 4)
G07555795Courtesy of © TOYOTA, LICENSE AGREEMENT TMS1002
Fig 2: Safety Connect - Circuit Diagram (2 Of 4)
G07555796Courtesy of © TOYOTA, LICENSE AGREEMENT TMS1002
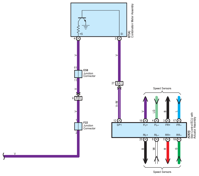
Fig 3: Safety Connect - Circuit Diagram (3 Of 4)
G07555797Courtesy of © TOYOTA, LICENSE AGREEMENT TMS1002
Fig 4: Safety Connect - Circuit Diagram (4 Of 4)
G07555798Courtesy of © TOYOTA, LICENSE AGREEMENT TMS1002