lemon-mirror:
Home >> Toyota >> 2010 >> Matrix Base, Automatic >> Repair and Diagnosis >> Electrical >> Body Electrical >> OEM Ground Points >> Ground Point >> Notes

Ground Point: Notes

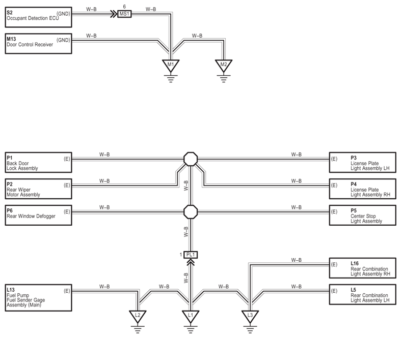
Fig 1: Ground Point - Circuit Diagram (1 Of 5)
G07571524Courtesy of © TOYOTA, LICENSE AGREEMENT TMS1002
Fig 2: Ground Point - Circuit Diagram (2 Of 5)
G07571525Courtesy of © TOYOTA, LICENSE AGREEMENT TMS1002
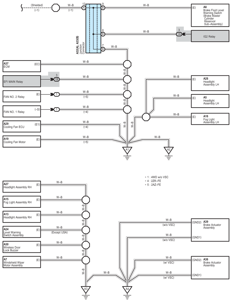
Fig 3: Ground Point - Circuit Diagram (3 Of 5)
G07571526Courtesy of © TOYOTA, LICENSE AGREEMENT TMS1002
Fig 4: Ground Point - Circuit Diagram (4 Of 5)
G07571527Courtesy of © TOYOTA, LICENSE AGREEMENT TMS1002
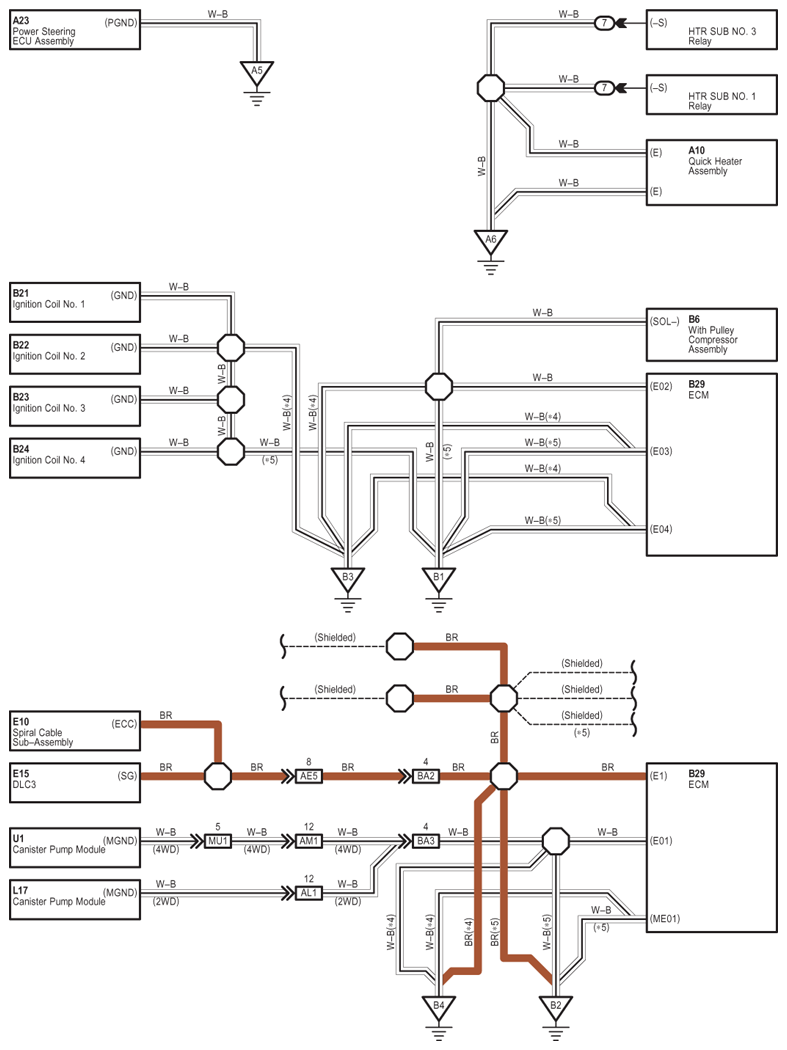
Fig 5: Ground Point - Circuit Diagram (5 Of 5)
G07571528Courtesy of © TOYOTA, LICENSE AGREEMENT TMS1002