lemon-mirror:
Home >> Toyota >> 2010 >> Matrix Base, Automatic >> Repair and Diagnosis >> Electrical >> Body Electrical >> OEM System Circuits >> Engine Control (2AZ-FE) >> Notes

Engine Control (2AZ-FE): Notes

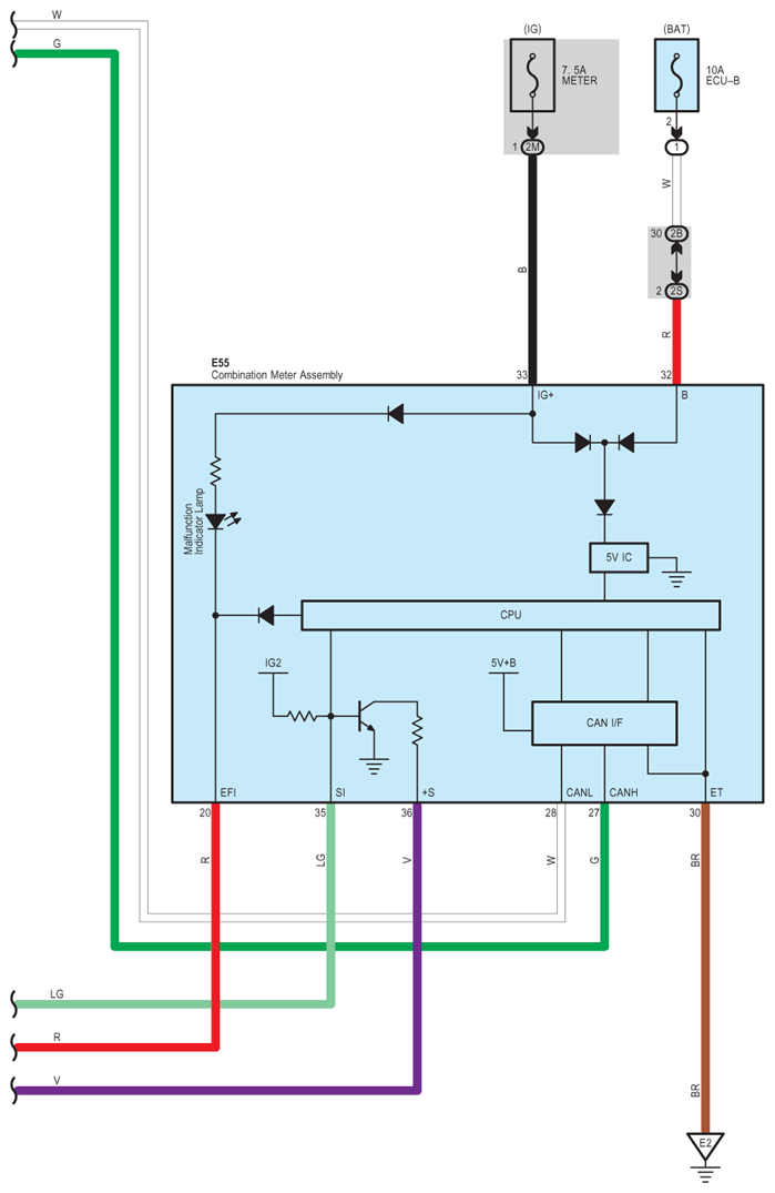
Fig 1: Engine Control (2AZ-FE) - Circuit Diagram (1 Of 10)
G07571358Courtesy of © TOYOTA, LICENSE AGREEMENT TMS1002
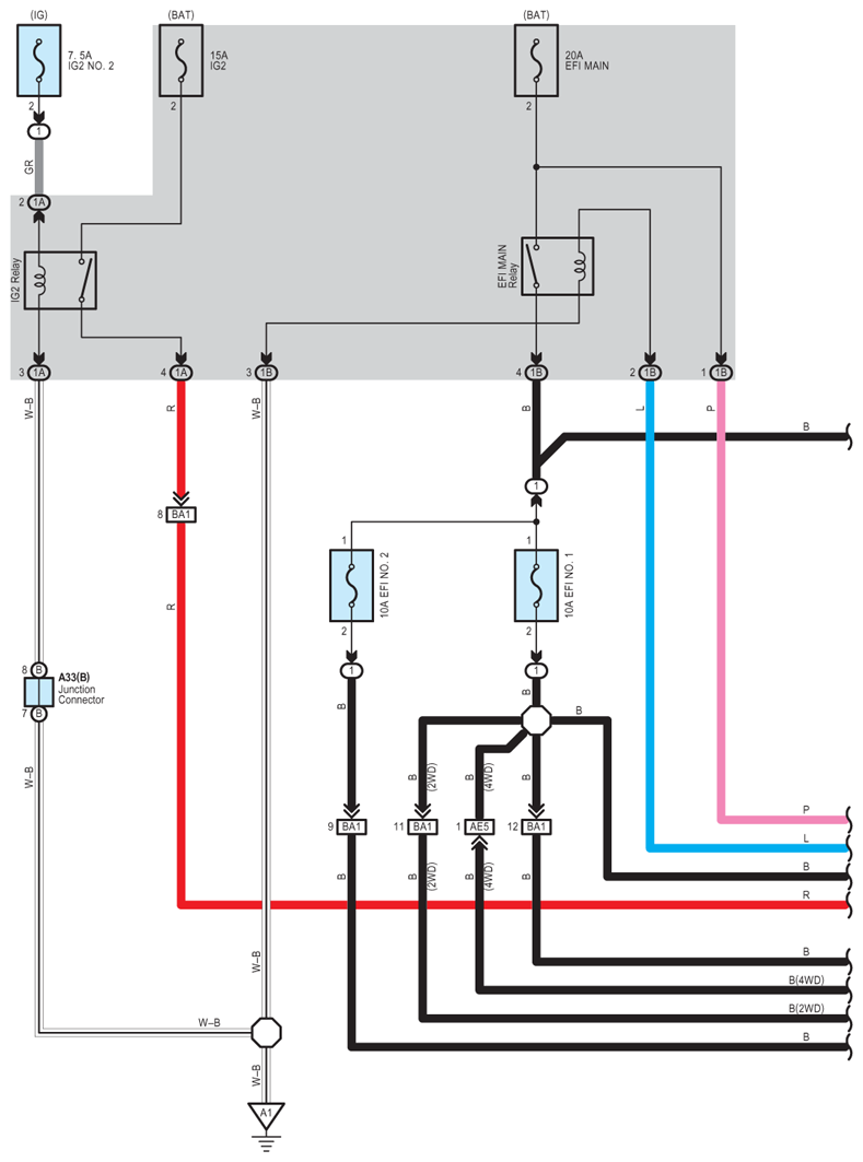
Fig 2: Engine Control (2AZ-FE) - Circuit Diagram (2 Of 10)
G07571359Courtesy of © TOYOTA, LICENSE AGREEMENT TMS1002
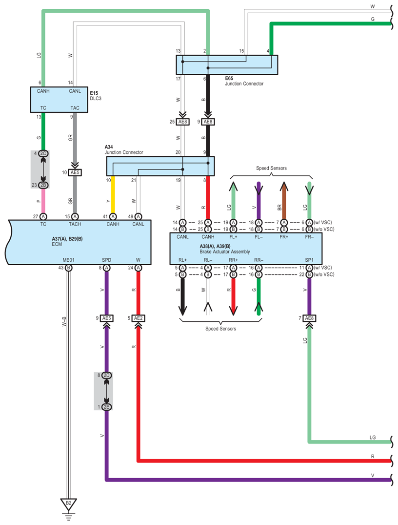
Fig 3: Engine Control (2AZ-FE) - Circuit Diagram (3 Of 10)
G07571360Courtesy of © TOYOTA, LICENSE AGREEMENT TMS1002
Fig 4: Engine Control (2AZ-FE) - Circuit Diagram (4 Of 10)
G07571361Courtesy of © TOYOTA, LICENSE AGREEMENT TMS1002
Fig 5: Engine Control (2AZ-FE) - Circuit Diagram (5 Of 10)
G07571362Courtesy of © TOYOTA, LICENSE AGREEMENT TMS1002
Fig 6: Engine Control (2AZ-FE) - Circuit Diagram (6 Of 10)
G07571363Courtesy of © TOYOTA, LICENSE AGREEMENT TMS1002
Fig 7: Engine Control (2AZ-FE) - Circuit Diagram (7 Of 10)
G07571364Courtesy of © TOYOTA, LICENSE AGREEMENT TMS1002
Fig 8: Engine Control (2AZ-FE) - Circuit Diagram (8 Of 10)
G07571365Courtesy of © TOYOTA, LICENSE AGREEMENT TMS1002
Fig 9: Engine Control (2AZ-FE) - Circuit Diagram (9 Of 10)
G07571366Courtesy of © TOYOTA, LICENSE AGREEMENT TMS1002
Fig 10: Engine Control (2AZ-FE) - Circuit Diagram (10 Of 10)
G07571367Courtesy of © TOYOTA, LICENSE AGREEMENT TMS1002