lemon-mirror:
Home >> Toyota >> 2010 >> Matrix Base, Automatic >> Repair and Diagnosis >> Electrical >> Body Electrical >> OEM System Circuits >> Key Reminder >> Notes

Key Reminder: Notes

Fig 1: Key Reminder - Circuit Diagram (1 Of 2)
G07571480Courtesy of © TOYOTA, LICENSE AGREEMENT TMS1002
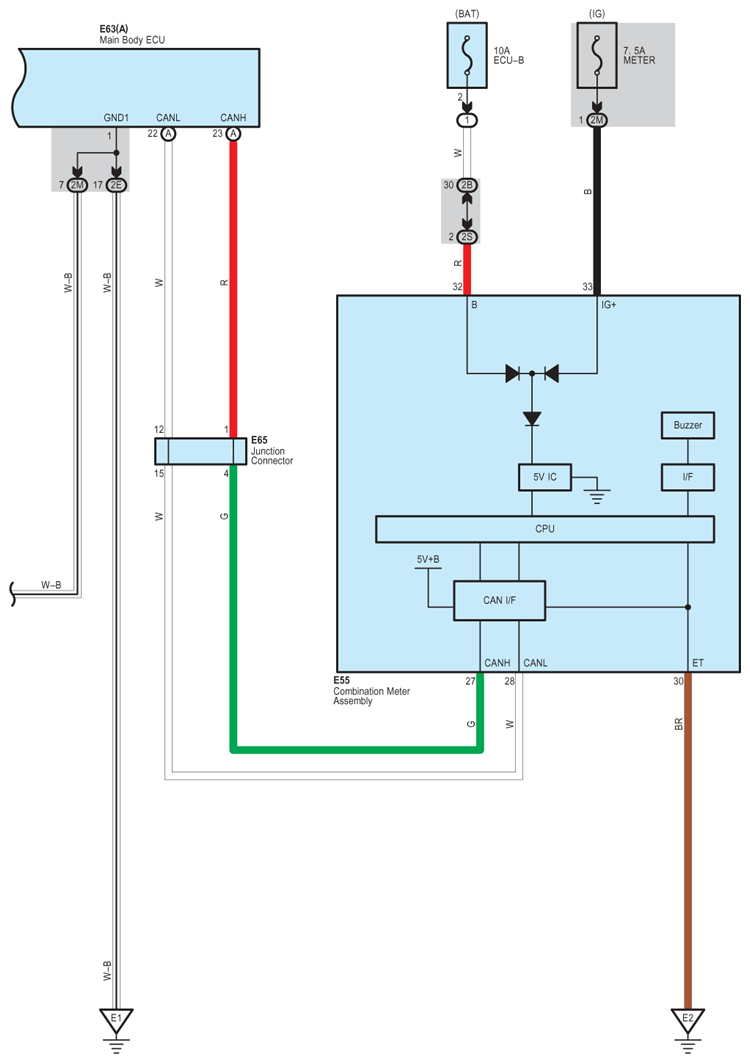
Fig 2: Key Reminder - Circuit Diagram (2 Of 2)
G07571481Courtesy of © TOYOTA, LICENSE AGREEMENT TMS1002