lemon-mirror:
Home >> Toyota >> 2010 >> Sienna XLE, AWD >> Repair and Diagnosis >> Engine Performance >> Engine Control Systems >> Engine Control System (Service Information) >> EFI Relay >> Inspection >> Inspection

EFI Relay: Inspection: Inspection

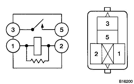
  1. INSPECT EFI RELAY 
    1. Using an ohmmeter, measure the resistance according to the value(s) in the table below.
      Fig 1: Identifying Relay Terminals
      GTY100961Courtesy of © TOYOTA, LICENSE AGREEMENT TMS1002

      Standard resistance

      Tester Connection Specified Condition
      3 - 5 10 kΩ or higher
      3 - 5 Below 1 Ω (Apply battery voltage between terminals 1 and 2)

      If the result is not as specified, replace the relay.