lemon-mirror:
Home >> Toyota >> 2011 >> 4Runner Trail >> Repair and Diagnosis >> Electrical >> Body Electrical >> OEM System Circuits >> Combination Meter >> Notes

Combination Meter: Notes

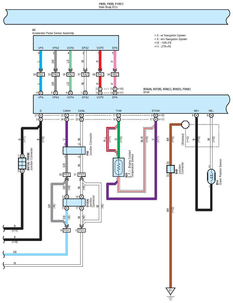
Fig 1: Combination Meter System Wiring Diagram (1 Of 12)
G07111635Courtesy of © TOYOTA, LICENSE AGREEMENT TMS1002
Fig 2: Combination Meter System Wiring Diagram (2 Of 12)
G07111636Courtesy of © TOYOTA, LICENSE AGREEMENT TMS1002
Fig 3: Combination Meter System Wiring Diagram (3 Of 12)
G07111637Courtesy of © TOYOTA, LICENSE AGREEMENT TMS1002
Fig 4: Combination Meter System Wiring Diagram (4 Of 12)
G07111638Courtesy of © TOYOTA, LICENSE AGREEMENT TMS1002
Fig 5: Combination Meter System Wiring Diagram (5 Of 12)
G07111639Courtesy of © TOYOTA, LICENSE AGREEMENT TMS1002
Fig 6: Combination Meter System Wiring Diagram (6 Of 12)
G07111640Courtesy of © TOYOTA, LICENSE AGREEMENT TMS1002
Fig 7: Combination Meter System Wiring Diagram (7 Of 12)
G07111641Courtesy of © TOYOTA, LICENSE AGREEMENT TMS1002
Fig 8: Combination Meter System Wiring Diagram (8 Of 12)
G07111642Courtesy of © TOYOTA, LICENSE AGREEMENT TMS1002
Fig 9: Combination Meter System Wiring Diagram (9 Of 12)
G07111643Courtesy of © TOYOTA, LICENSE AGREEMENT TMS1002
Fig 10: Combination Meter System Wiring Diagram (10 Of 12)
G07111644Courtesy of © TOYOTA, LICENSE AGREEMENT TMS1002
Fig 11: Combination Meter System Wiring Diagram (11 Of 12)
G07111645Courtesy of © TOYOTA, LICENSE AGREEMENT TMS1002
Fig 12: Combination Meter System Wiring Diagram (12 Of 12)
G07111646Courtesy of © TOYOTA, LICENSE AGREEMENT TMS1002