lemon-mirror:
Home >> Toyota >> 2011 >> 4Runner Trail >> Repair and Diagnosis >> Electrical >> Body Electrical >> OEM System Circuits >> Front Window Deicer >> Notes

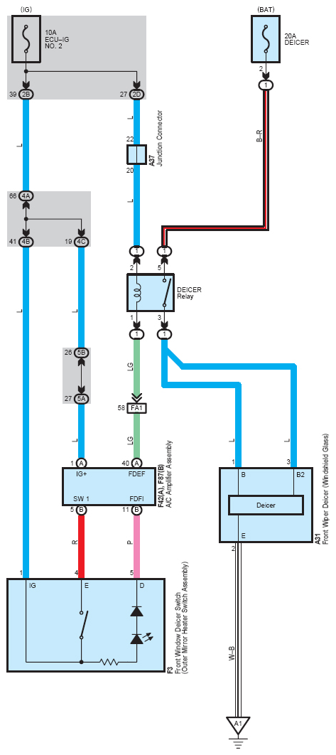
Front Window Deicer: Notes

Fig 1: Front Window Deicer Wiring Diagram
G07111588Courtesy of © TOYOTA, LICENSE AGREEMENT TMS1002