lemon-mirror:
Home >> Toyota >> 2011 >> 4Runner Trail >> Repair and Diagnosis >> Electrical >> Body Electrical >> OEM System Circuits >> Power Steering >> Notes

Power Steering: Notes

Fig 1: Power Steering System Wiring Diagram (1 Of 5)
G07111554Courtesy of © TOYOTA, LICENSE AGREEMENT TMS1002
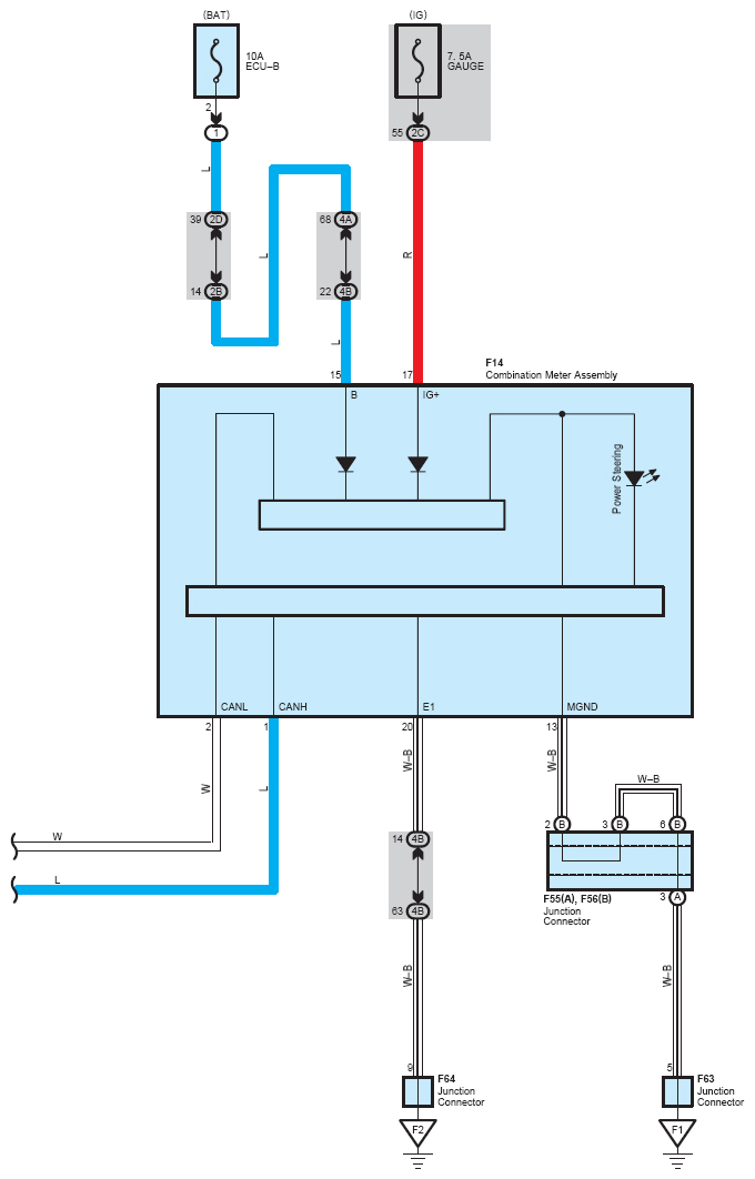
Fig 2: Power Steering System Wiring Diagram (2 Of 5)
G07111555Courtesy of © TOYOTA, LICENSE AGREEMENT TMS1002
Fig 3: Power Steering System Wiring Diagram (3 Of 5)
G07111556Courtesy of © TOYOTA, LICENSE AGREEMENT TMS1002
Fig 4: Power Steering System Wiring Diagram (4 Of 5)
G07111557Courtesy of © TOYOTA, LICENSE AGREEMENT TMS1002
Fig 5: Power Steering System Wiring Diagram (5 Of 5)
G07111558Courtesy of © TOYOTA, LICENSE AGREEMENT TMS1002