lemon-mirror:
Home >> Toyota >> 2011 >> 4Runner Trail >> Repair and Diagnosis >> Electrical >> Body Electrical >> OEM System Circuits >> Power Window >> Notes

Power Window: Notes

Fig 1: Power Window System Wiring Diagram (1 Of 9)
G07111567Courtesy of © TOYOTA, LICENSE AGREEMENT TMS1002
Fig 2: Power Window System Wiring Diagram (2 Of 9)
G07111568Courtesy of © TOYOTA, LICENSE AGREEMENT TMS1002
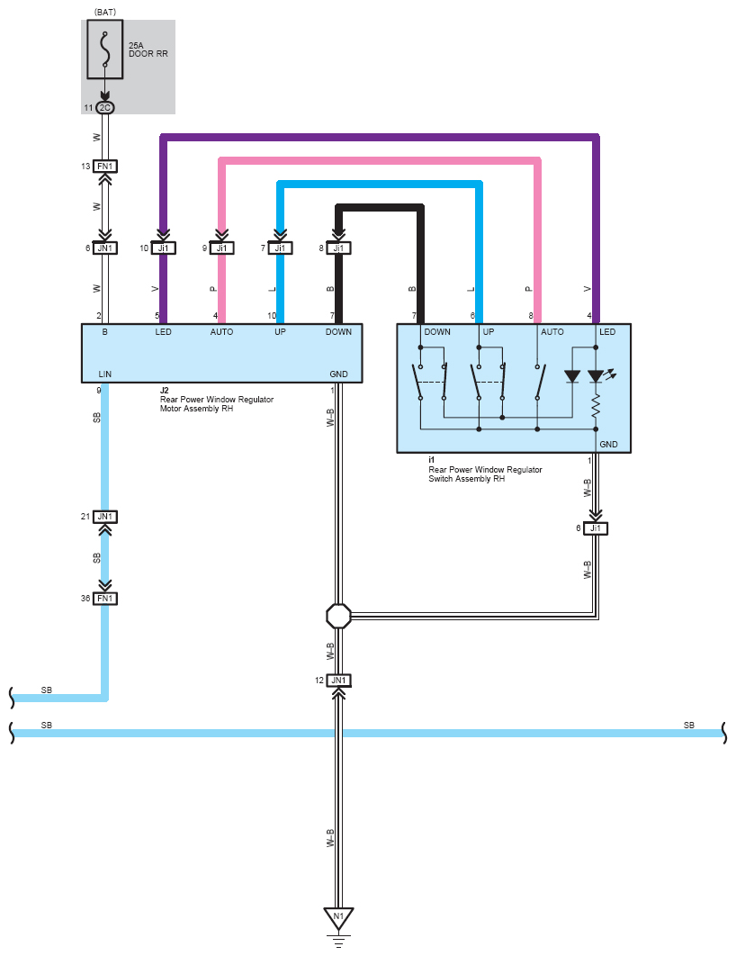
Fig 3: Power Window System Wiring Diagram (3 Of 9)
G07111569Courtesy of © TOYOTA, LICENSE AGREEMENT TMS1002
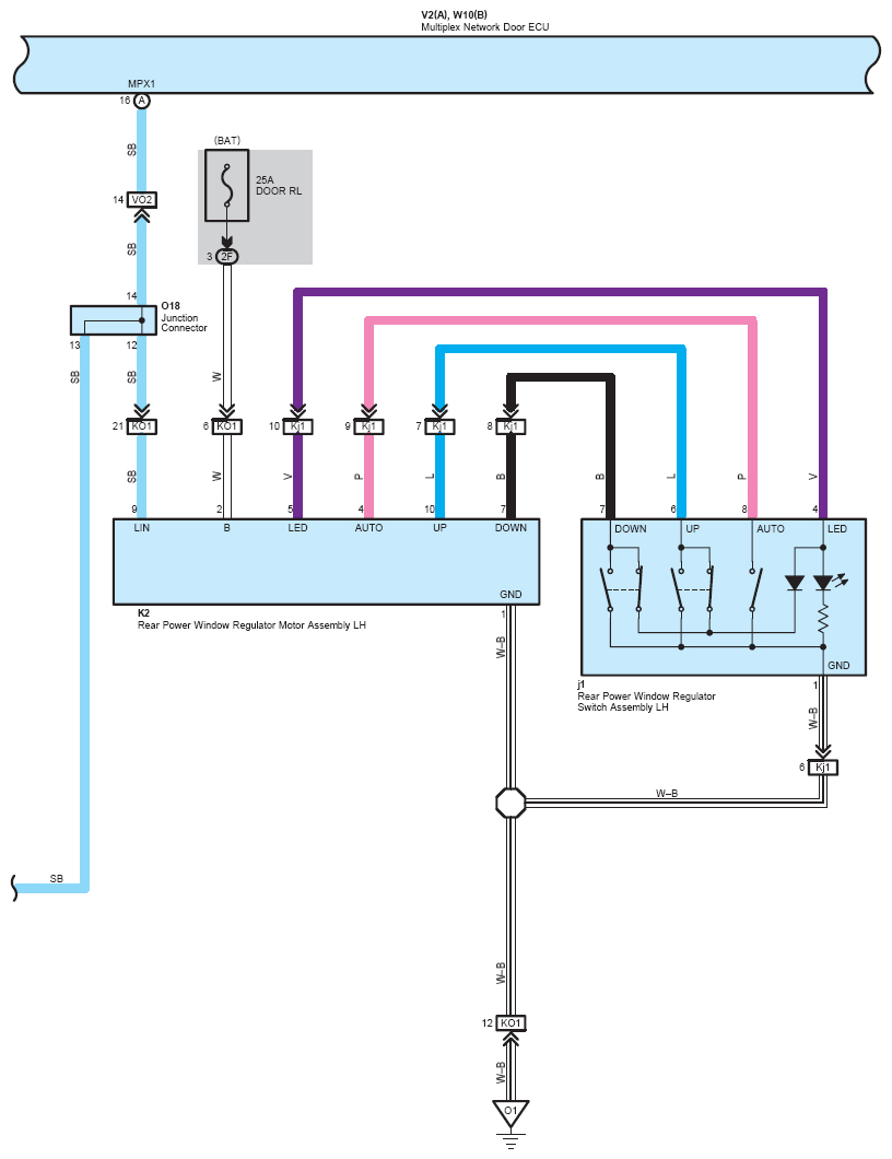
Fig 4: Power Window System Wiring Diagram (4 Of 9)
G07111570Courtesy of © TOYOTA, LICENSE AGREEMENT TMS1002
Fig 5: Power Window System Wiring Diagram (5 Of 9)
G07111571Courtesy of © TOYOTA, LICENSE AGREEMENT TMS1002
Fig 6: Power Window System Wiring Diagram (6 Of 9)
G07111572Courtesy of © TOYOTA, LICENSE AGREEMENT TMS1002
Fig 7: Power Window System Wiring Diagram (7 Of 9)
G07111573Courtesy of © TOYOTA, LICENSE AGREEMENT TMS1002
Fig 8: Power Window System Wiring Diagram (8 Of 9)
G07111574Courtesy of © TOYOTA, LICENSE AGREEMENT TMS1002
Fig 9: Power Window System Wiring Diagram (9 Of 9)
G07111575Courtesy of © TOYOTA, LICENSE AGREEMENT TMS1002