lemon-mirror:
Home >> Toyota >> 2011 >> 4Runner Trail >> Repair and Diagnosis >> Electrical >> Body Electrical >> OEM System Circuits >> Smart Key System >> Notes

Smart Key System: Notes

Fig 1: Smart Key System Wiring Diagram (1 Of 20)
G07111349Courtesy of © TOYOTA, LICENSE AGREEMENT TMS1002
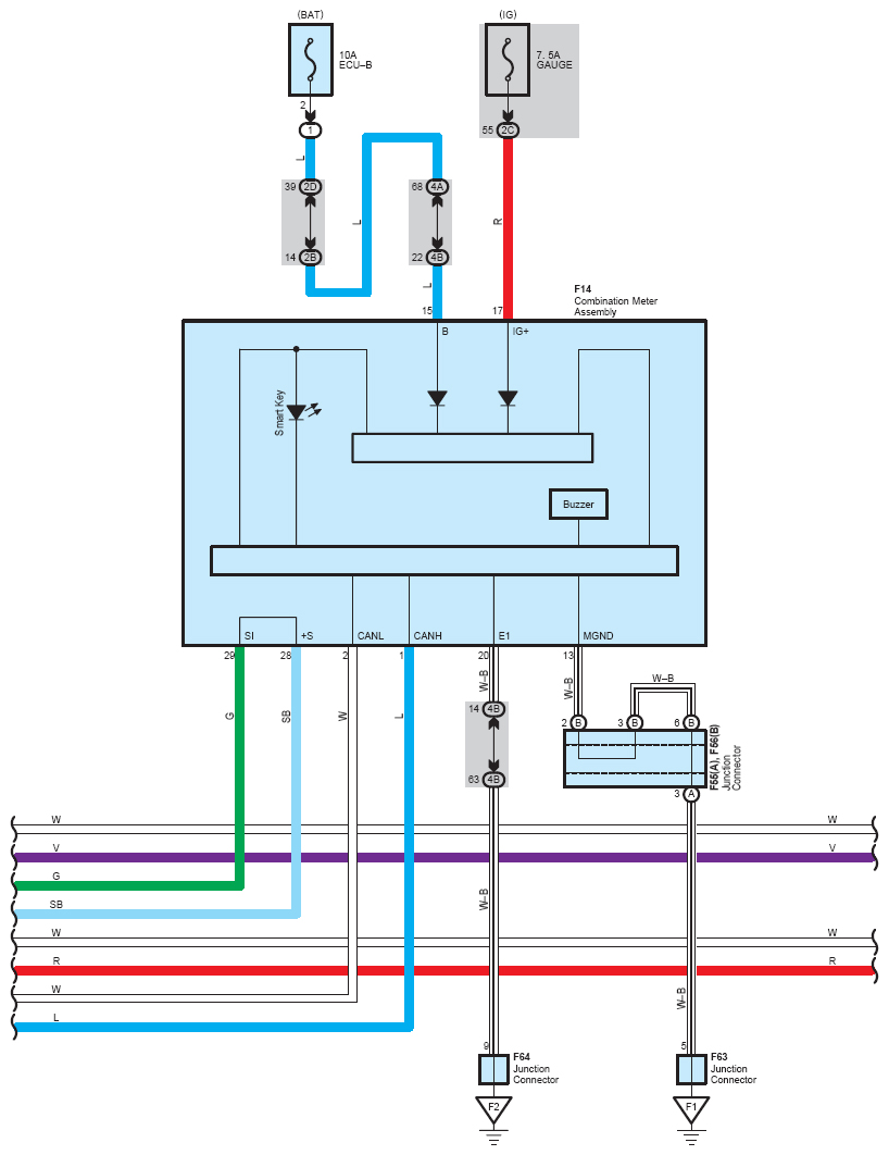
Fig 2: Smart Key System Wiring Diagram (2 Of 20)
G07111350Courtesy of © TOYOTA, LICENSE AGREEMENT TMS1002
Fig 3: Smart Key System Wiring Diagram (3 Of 20)
G07111351Courtesy of © TOYOTA, LICENSE AGREEMENT TMS1002
Fig 4: Smart Key System Wiring Diagram (4 Of 20)
G07111352Courtesy of © TOYOTA, LICENSE AGREEMENT TMS1002
Fig 5: Smart Key System Wiring Diagram (5 Of 20)
G07111353Courtesy of © TOYOTA, LICENSE AGREEMENT TMS1002
Fig 6: Smart Key System Wiring Diagram (6 Of 20)
G07111354Courtesy of © TOYOTA, LICENSE AGREEMENT TMS1002
Fig 7: Smart Key System Wiring Diagram (7 Of 20)
G07111355Courtesy of © TOYOTA, LICENSE AGREEMENT TMS1002
Fig 8: Smart Key System Wiring Diagram (8 Of 20)
G07111356Courtesy of © TOYOTA, LICENSE AGREEMENT TMS1002
Fig 9: Smart Key System Wiring Diagram (9 Of 20)
G07111357Courtesy of © TOYOTA, LICENSE AGREEMENT TMS1002
Fig 10: Smart Key System Wiring Diagram (10 Of 20)
G07111358Courtesy of © TOYOTA, LICENSE AGREEMENT TMS1002
Fig 11: Smart Key System Wiring Diagram (11 Of 20)
G07111359Courtesy of © TOYOTA, LICENSE AGREEMENT TMS1002
Fig 12: Smart Key System Wiring Diagram (12 Of 20)
G07111360Courtesy of © TOYOTA, LICENSE AGREEMENT TMS1002
Fig 13: Smart Key System Wiring Diagram (13 Of 20)
G07111361Courtesy of © TOYOTA, LICENSE AGREEMENT TMS1002
Fig 14: Smart Key System Wiring Diagram (14 Of 20)
G07111362Courtesy of © TOYOTA, LICENSE AGREEMENT TMS1002
Fig 15: Smart Key System Wiring Diagram (15 Of 20)
G07111363Courtesy of © TOYOTA, LICENSE AGREEMENT TMS1002
Fig 16: Smart Key System Wiring Diagram (16 Of 20)
G07111364Courtesy of © TOYOTA, LICENSE AGREEMENT TMS1002
Fig 17: Smart Key System Wiring Diagram (17 Of 20)
G07111365Courtesy of © TOYOTA, LICENSE AGREEMENT TMS1002
Fig 18: Smart Key System Wiring Diagram (18 Of 20)
G07111366Courtesy of © TOYOTA, LICENSE AGREEMENT TMS1002
Fig 19: Smart Key System Wiring Diagram (19 Of 20)
G07111367Courtesy of © TOYOTA, LICENSE AGREEMENT TMS1002
Fig 20: Smart Key System Wiring Diagram (20 Of 20)
G07111368Courtesy of © TOYOTA, LICENSE AGREEMENT TMS1002