lemon-mirror:
Home >> Toyota >> 2011 >> Avalon Base >> Repair and Diagnosis >> Electrical >> Body Electrical >> OEM System Circuits >> Engine Control >> Notes

Engine Control: Notes

Fig 1: Engine Control System Wiring Diagram (1 Of 13)
G07111882Courtesy of © TOYOTA, LICENSE AGREEMENT TMS1002
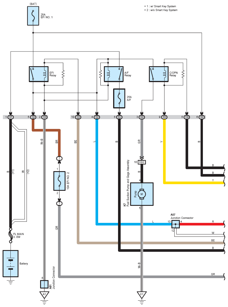
Fig 2: Engine Control System Wiring Diagram (2 Of 13)
G07111883Courtesy of © TOYOTA, LICENSE AGREEMENT TMS1002
Fig 3: Engine Control System Wiring Diagram (3 Of 13)
G07111884Courtesy of © TOYOTA, LICENSE AGREEMENT TMS1002
Fig 4: Engine Control System Wiring Diagram (4 Of 13)
G07111885Courtesy of © TOYOTA, LICENSE AGREEMENT TMS1002
Fig 5: Engine Control System Wiring Diagram (5 Of 13)
G07111886Courtesy of © TOYOTA, LICENSE AGREEMENT TMS1002
Fig 6: Engine Control System Wiring Diagram (6 Of 13)
G07111887Courtesy of © TOYOTA, LICENSE AGREEMENT TMS1002
Fig 7: Engine Control System Wiring Diagram (7 Of 13)
G07111888Courtesy of © TOYOTA, LICENSE AGREEMENT TMS1002
Fig 8: Engine Control System Wiring Diagram (8 Of 13)
G07111889Courtesy of © TOYOTA, LICENSE AGREEMENT TMS1002
Fig 9: Engine Control System Wiring Diagram (9 Of 13)
G07111890Courtesy of © TOYOTA, LICENSE AGREEMENT TMS1002
Fig 10: Engine Control System Wiring Diagram (10 Of 13)
G07111891Courtesy of © TOYOTA, LICENSE AGREEMENT TMS1002
Fig 11: Engine Control System Wiring Diagram (11 Of 13)
G07111892Courtesy of © TOYOTA, LICENSE AGREEMENT TMS1002
Fig 12: Engine Control System Wiring Diagram (12 Of 13)
G07111893Courtesy of © TOYOTA, LICENSE AGREEMENT TMS1002
Fig 13: Engine Control System Wiring Diagram (13 Of 13)
G07111894Courtesy of © TOYOTA, LICENSE AGREEMENT TMS1002