lemon-mirror:
Home >> Toyota >> 2011 >> Avalon Base >> Repair and Diagnosis >> Electrical >> Body Electrical >> OEM System Circuits >> Illumination >> Notes

OEM System Circuits: Illumination: Notes

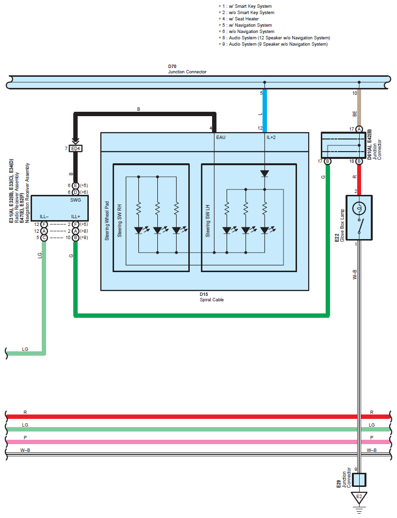
Fig 1: Illumination System Wiring Diagram (1 Of 6)
G07111931Courtesy of © TOYOTA, LICENSE AGREEMENT TMS1002
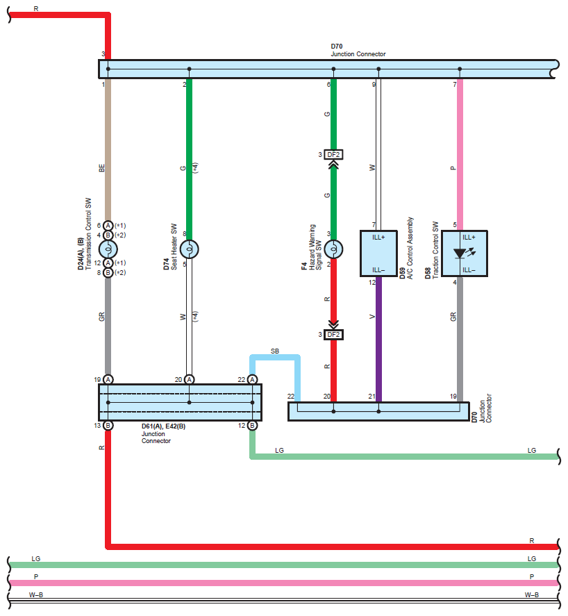
Fig 2: Illumination System Wiring Diagram (2 Of 6)
G07111932Courtesy of © TOYOTA, LICENSE AGREEMENT TMS1002
Fig 3: Illumination System Wiring Diagram (3 Of 6)
G07111933Courtesy of © TOYOTA, LICENSE AGREEMENT TMS1002
Fig 4: Illumination System Wiring Diagram (4 Of 6)
G07111934Courtesy of © TOYOTA, LICENSE AGREEMENT TMS1002
Fig 5: Illumination System Wiring Diagram (5 Of 6)
G07111935Courtesy of © TOYOTA, LICENSE AGREEMENT TMS1002
Fig 6: Illumination System Wiring Diagram (6 Of 6)
G07111936Courtesy of © TOYOTA, LICENSE AGREEMENT TMS1002