lemon-mirror:
Home >> Toyota >> 2011 >> Avalon Base >> Repair and Diagnosis >> Electrical >> Body Electrical >> OEM System Circuits >> Interior Light >> Notes

Interior Light: Notes

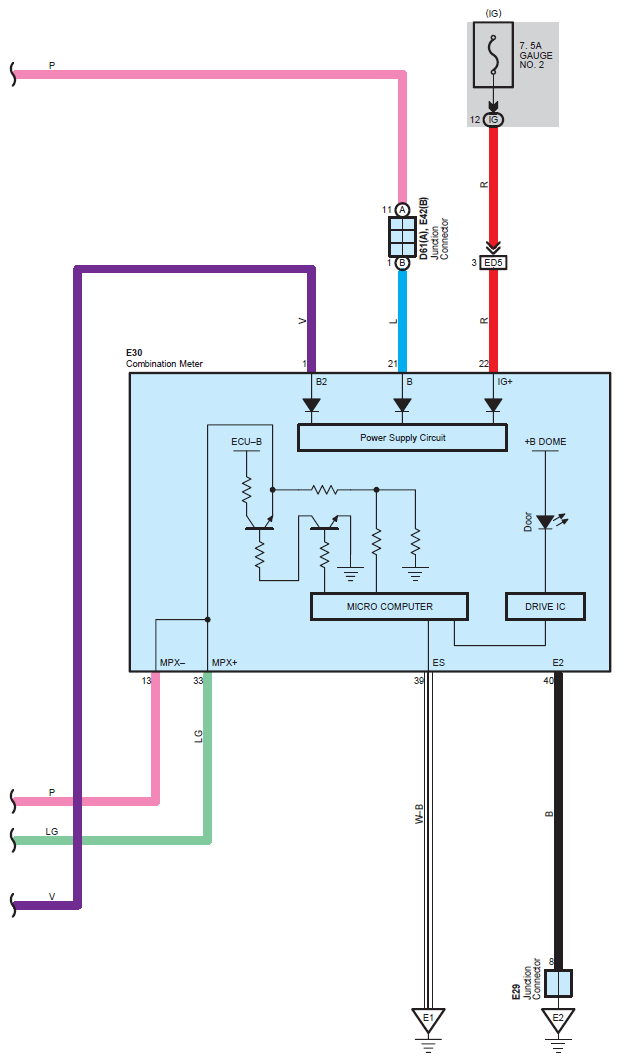
Fig 1: Interior Light System Wiring Diagram (1 Of 7)
G07111924Courtesy of © TOYOTA, LICENSE AGREEMENT TMS1002
Fig 2: Interior Light System Wiring Diagram (2 Of 7)
G07111925Courtesy of © TOYOTA, LICENSE AGREEMENT TMS1002
Fig 3: Interior Light System Wiring Diagram (3 Of 7)
G07111926Courtesy of © TOYOTA, LICENSE AGREEMENT TMS1002
Fig 4: Interior Light System Wiring Diagram (4 Of 7)
G07111927Courtesy of © TOYOTA, LICENSE AGREEMENT TMS1002
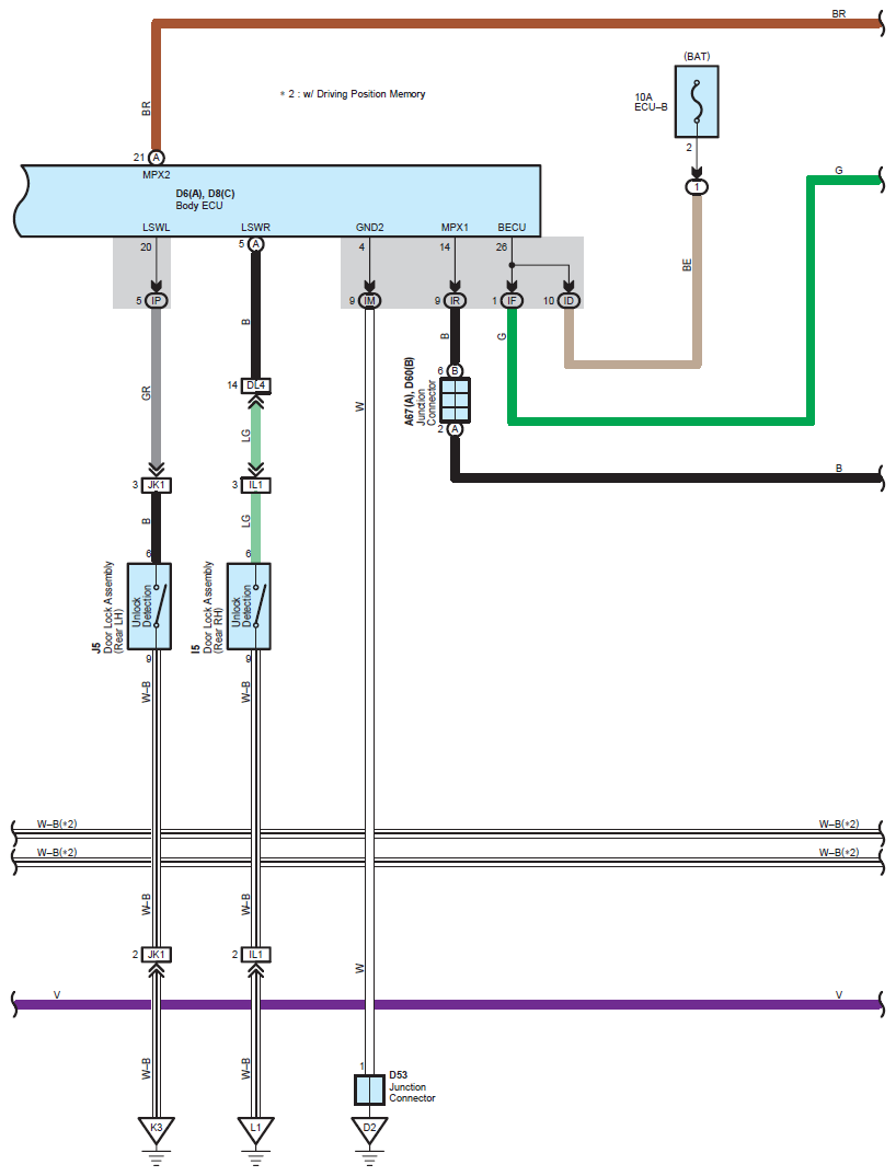
Fig 5: Interior Light System Wiring Diagram (5 Of 7)
G07111928Courtesy of © TOYOTA, LICENSE AGREEMENT TMS1002
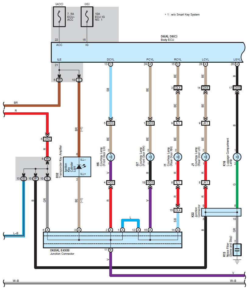
Fig 6: Interior Light System Wiring Diagram (6 Of 7)
G07111929Courtesy of © TOYOTA, LICENSE AGREEMENT TMS1002
Fig 7: Interior Light System Wiring Diagram (7 Of 7)
G07111930Courtesy of © TOYOTA, LICENSE AGREEMENT TMS1002