lemon-mirror:
Home >> Toyota >> 2011 >> Avalon Base >> Repair and Diagnosis >> Electrical >> Body Electrical >> OEM System Circuits >> Taillight >> Notes

OEM System Circuits: Taillight: Notes

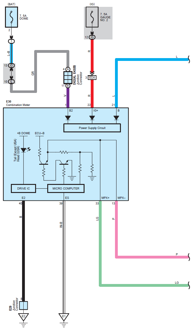
Fig 1: Taillight System Wiring Diagram (1 Of 4)
G07111941Courtesy of © TOYOTA, LICENSE AGREEMENT TMS1002
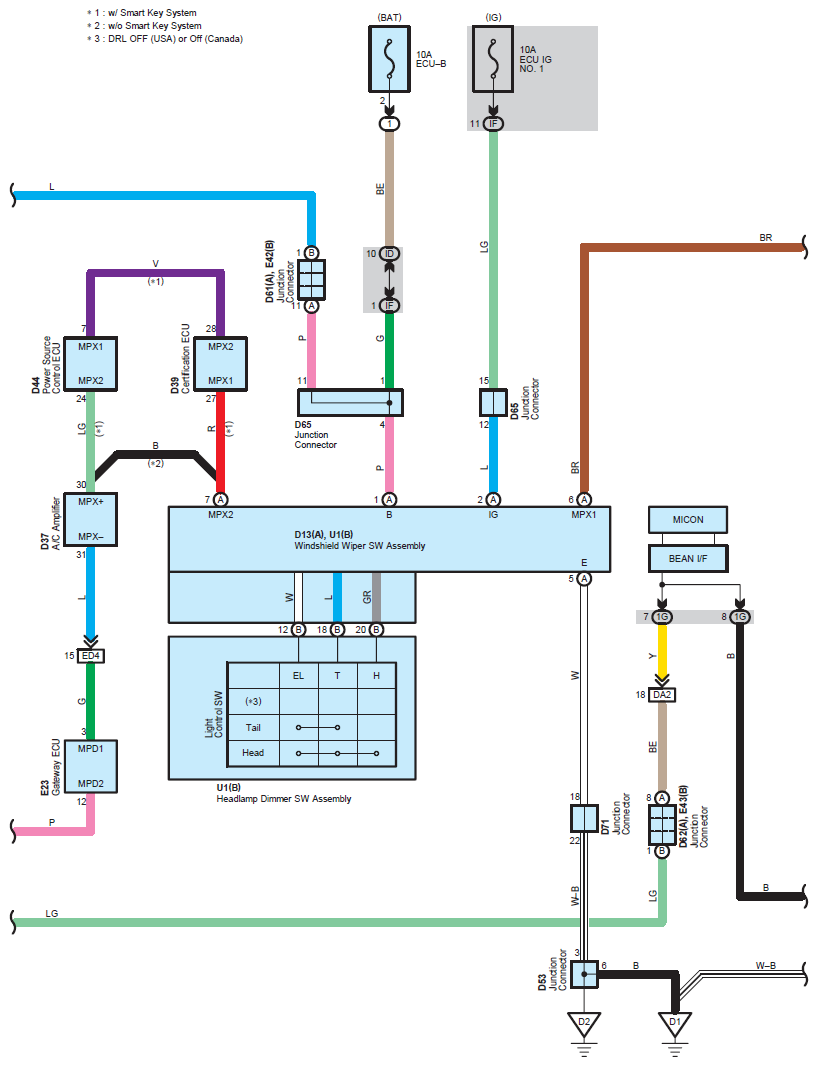
Fig 2: Taillight System Wiring Diagram (2 Of 4)
G07111942Courtesy of © TOYOTA, LICENSE AGREEMENT TMS1002
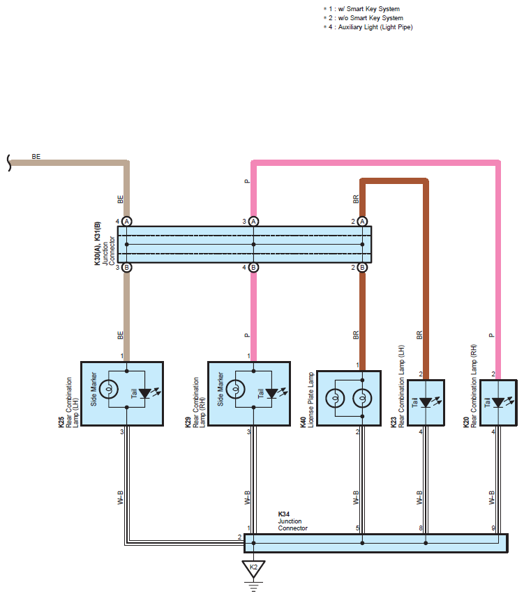
Fig 3: Taillight System Wiring Diagram (3 Of 4)
G07111943Courtesy of © TOYOTA, LICENSE AGREEMENT TMS1002
Fig 4: Taillight System Wiring Diagram (4 Of 4)
G07111944Courtesy of © TOYOTA, LICENSE AGREEMENT TMS1002