lemon-mirror:
Home >> Toyota >> 2011 >> Avalon Base >> Repair and Diagnosis >> Electrical >> Body Electrical >> OEM System Circuits >> Theft Deterrent >> Notes

Theft Deterrent: Notes

Fig 1: Theft Deterrent System Wiring Diagram (1 Of 9)
G07112001Courtesy of © TOYOTA, LICENSE AGREEMENT TMS1002
Fig 2: Theft Deterrent System Wiring Diagram (2 Of 9)
G07112002Courtesy of © TOYOTA, LICENSE AGREEMENT TMS1002
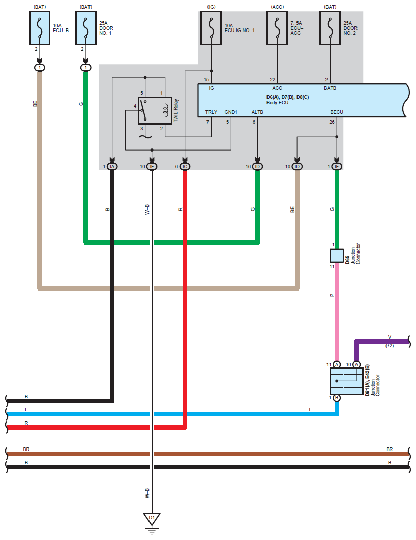
Fig 3: Theft Deterrent System Wiring Diagram (3 Of 9)
G07112003Courtesy of © TOYOTA, LICENSE AGREEMENT TMS1002
Fig 4: Theft Deterrent System Wiring Diagram (4 Of 9)
G07112004Courtesy of © TOYOTA, LICENSE AGREEMENT TMS1002
Fig 5: Theft Deterrent System Wiring Diagram (5 Of 9)
G07112005Courtesy of © TOYOTA, LICENSE AGREEMENT TMS1002
Fig 6: Theft Deterrent System Wiring Diagram (6 Of 9)
G07112006Courtesy of © TOYOTA, LICENSE AGREEMENT TMS1002
Fig 7: Theft Deterrent System Wiring Diagram (7 Of 9)
G07112007Courtesy of © TOYOTA, LICENSE AGREEMENT TMS1002
Fig 8: Theft Deterrent System Wiring Diagram (8 Of 9)
G07112008Courtesy of © TOYOTA, LICENSE AGREEMENT TMS1002
Fig 9: Theft Deterrent System Wiring Diagram (9 Of 9)
G07112009Courtesy of © TOYOTA, LICENSE AGREEMENT TMS1002