lemon-mirror:
Home >> Toyota >> 2011 >> Avalon Base >> Repair and Diagnosis >> Electrical >> Body Electrical >> OEM System Circuits >> Wireless Door Lock Control (w/Smart Key System) >> Notes

Wireless Door Lock Control (w/Smart Key System): Notes

Fig 1: Wireless Door Lock Control (w/Smart Key System) Wiring Diagram (1 Of 14)
G07111980Courtesy of © TOYOTA, LICENSE AGREEMENT TMS1002
Fig 2: Wireless Door Lock Control (w/Smart Key System) Wiring Diagram (2 Of 14)
G07111981Courtesy of © TOYOTA, LICENSE AGREEMENT TMS1002
Fig 3: Wireless Door Lock Control (w/Smart Key System) Wiring Diagram (3 Of 14)
G07111982Courtesy of © TOYOTA, LICENSE AGREEMENT TMS1002
Fig 4: Wireless Door Lock Control (w/Smart Key System) Wiring Diagram (4 Of 14)
G07111983Courtesy of © TOYOTA, LICENSE AGREEMENT TMS1002
Fig 5: Wireless Door Lock Control (w/Smart Key System) Wiring Diagram (5 Of 14)
G07111984Courtesy of © TOYOTA, LICENSE AGREEMENT TMS1002
Fig 6: Wireless Door Lock Control (w/Smart Key System) Wiring Diagram (6 Of 14)
G07111985Courtesy of © TOYOTA, LICENSE AGREEMENT TMS1002
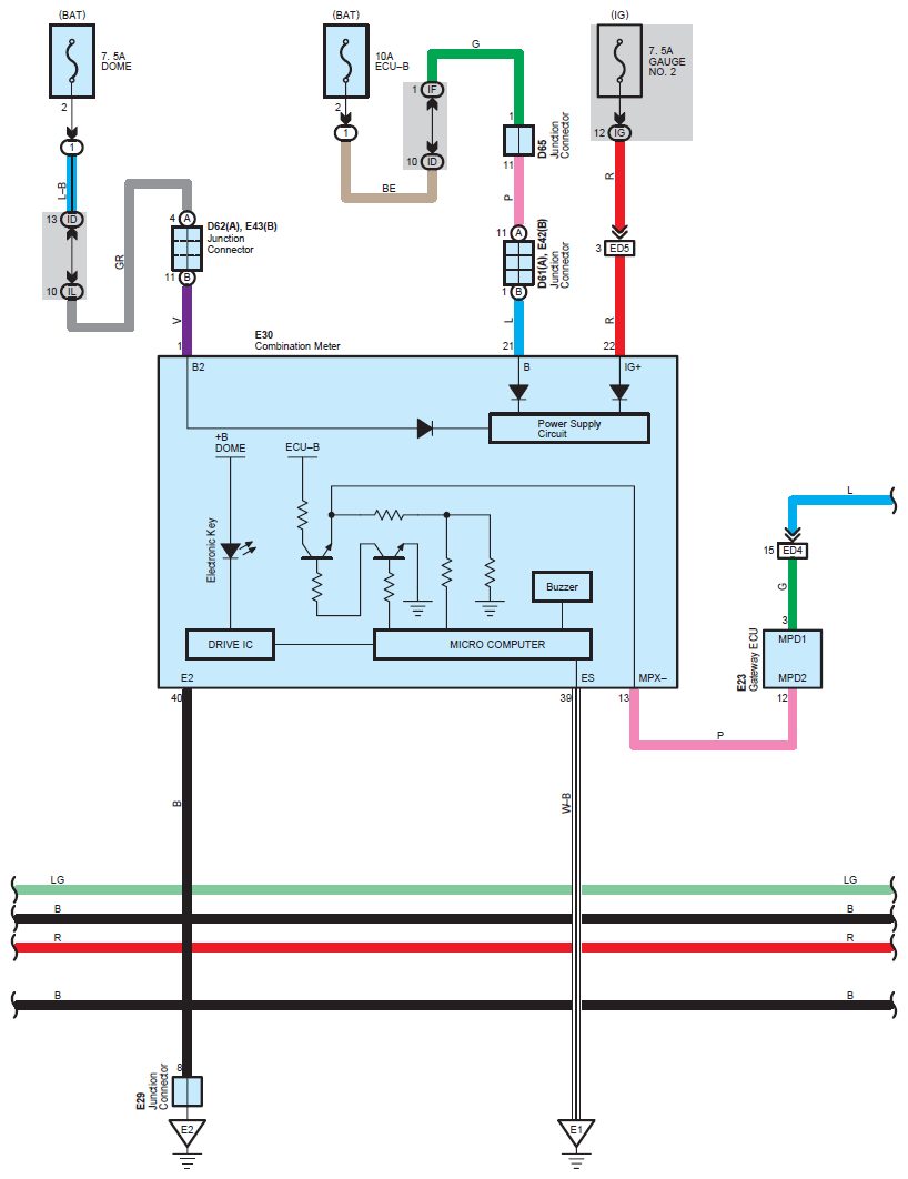
Fig 7: Wireless Door Lock Control (w/Smart Key System) Wiring Diagram (7 Of 14)
G07111986Courtesy of © TOYOTA, LICENSE AGREEMENT TMS1002
Fig 8: Wireless Door Lock Control (w/Smart Key System) Wiring Diagram (8 Of 14)
G07111987Courtesy of © TOYOTA, LICENSE AGREEMENT TMS1002
Fig 9: Wireless Door Lock Control (w/Smart Key System) Wiring Diagram (9 Of 14)
G07111988Courtesy of © TOYOTA, LICENSE AGREEMENT TMS1002
Fig 10: Wireless Door Lock Control (w/Smart Key System) Wiring Diagram (10 Of 14)
G07111989Courtesy of © TOYOTA, LICENSE AGREEMENT TMS1002
Fig 11: Wireless Door Lock Control (w/Smart Key System) Wiring Diagram (11 Of 14)
G07111990Courtesy of © TOYOTA, LICENSE AGREEMENT TMS1002
Fig 12: Wireless Door Lock Control (w/Smart Key System) Wiring Diagram (12 Of 14)
G07111991Courtesy of © TOYOTA, LICENSE AGREEMENT TMS1002
Fig 13: Wireless Door Lock Control (w/Smart Key System) Wiring Diagram (13 Of 14)
G07111992Courtesy of © TOYOTA, LICENSE AGREEMENT TMS1002
Fig 14: Wireless Door Lock Control (w/Smart Key System) Wiring Diagram (14 Of 14)
G07111993Courtesy of © TOYOTA, LICENSE AGREEMENT TMS1002