lemon-mirror:
Home >> Toyota >> 2011 >> Corolla Base, Automatic >> Repair and Diagnosis >> Electrical >> Body Electrical >> OEM System Circuits >> Shift Lock (TMC Made) >> Notes

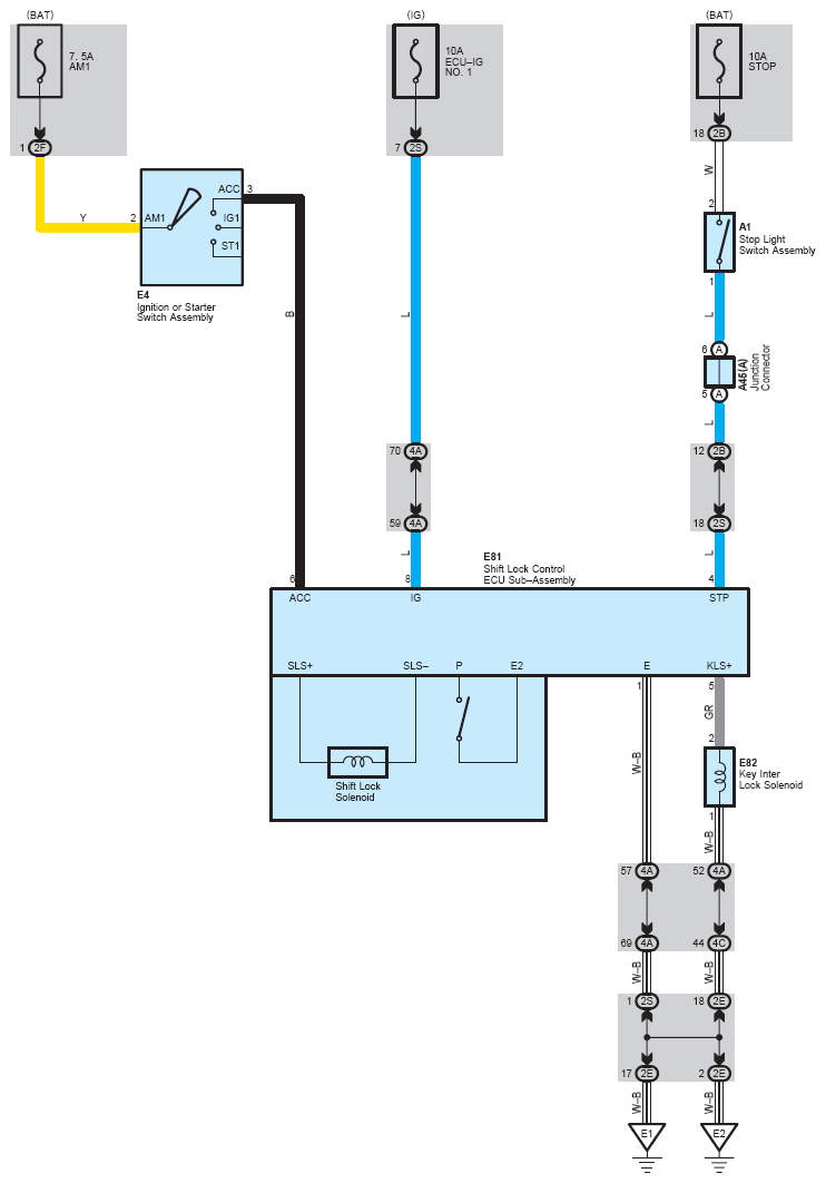
Shift Lock (TMC Made): Notes

Fig 1: Shift Lock (TMC Made) System Wiring Diagram
G07115032Courtesy of © TOYOTA, LICENSE AGREEMENT TMS1002