lemon-mirror:
Home >> Toyota >> 2011 >> FJ Cruiser RWD >> Repair and Diagnosis >> Electrical >> Body Electrical >> OEM System Circuits >> Accessory Meter >> Notes

Accessory Meter: Notes

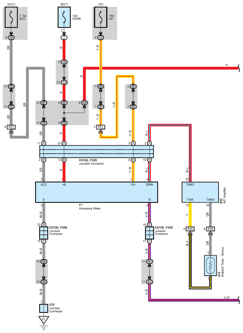
Fig 1: Accessory Meter System Wiring Diagram (1 Of 2)
G07116520Courtesy of © TOYOTA, LICENSE AGREEMENT TMS1002
Fig 2: Accessory Meter System Wiring Diagram (2 Of 2)
G07116521Courtesy of © TOYOTA, LICENSE AGREEMENT TMS1002