lemon-mirror:
Home >> Toyota >> 2011 >> FJ Cruiser RWD >> Repair and Diagnosis >> Electrical >> Body Electrical >> OEM System Circuits >> Cruise Control >> Notes

Cruise Control: Notes

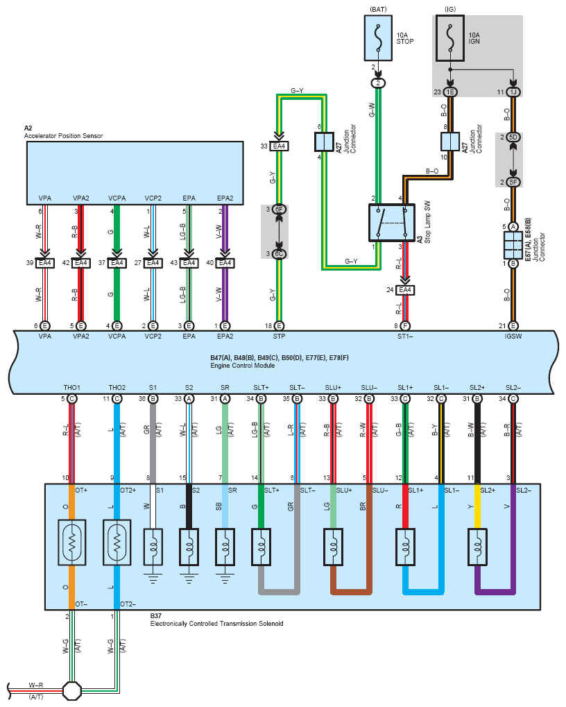
Fig 1: Cruise Control System Wiring Diagram (1 Of 6)
G07116485Courtesy of © TOYOTA, LICENSE AGREEMENT TMS1002
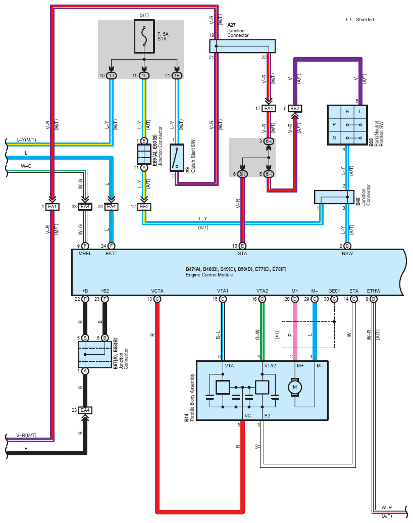
Fig 2: Cruise Control System Wiring Diagram (2 Of 6)
G07116486Courtesy of © TOYOTA, LICENSE AGREEMENT TMS1002
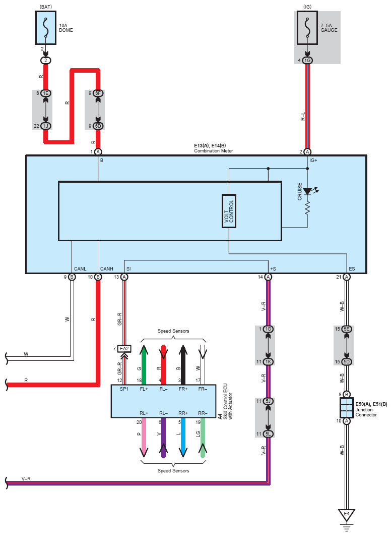
Fig 3: Cruise Control System Wiring Diagram (3 Of 6)
G07116487Courtesy of © TOYOTA, LICENSE AGREEMENT TMS1002
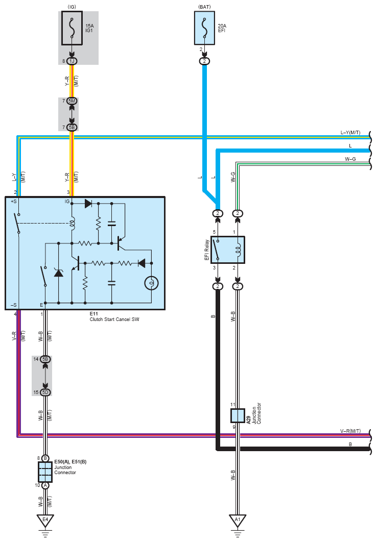
Fig 4: Cruise Control System Wiring Diagram (4 Of 6)
G07116488Courtesy of © TOYOTA, LICENSE AGREEMENT TMS1002
Fig 5: Cruise Control System Wiring Diagram (5 Of 6)
G07116489Courtesy of © TOYOTA, LICENSE AGREEMENT TMS1002
Fig 6: Cruise Control System Wiring Diagram (6 Of 6)
G07116490Courtesy of © TOYOTA, LICENSE AGREEMENT TMS1002