lemon-mirror:
Home >> Toyota >> 2011 >> FJ Cruiser RWD >> Repair and Diagnosis >> Electrical >> Body Electrical >> OEM System Circuits >> Data Link Connector 3 >> Notes

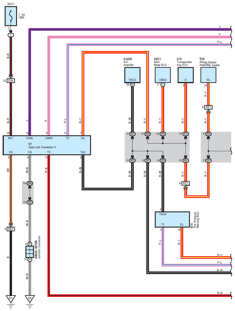
Data Link Connector 3: Notes

Fig 1: Data Link Connector 3 System Wiring Diagram (1 Of 2)
G07116426Courtesy of © TOYOTA, LICENSE AGREEMENT TMS1002
Fig 2: Data Link Connector 3 System Wiring Diagram (2 Of 2)
G07116427Courtesy of © TOYOTA, LICENSE AGREEMENT TMS1002