lemon-mirror:
Home >> Toyota >> 2011 >> FJ Cruiser RWD >> Repair and Diagnosis >> Electrical >> Body Electrical >> OEM System Circuits >> Rear Differential Lock >> Notes

Rear Differential Lock: Notes

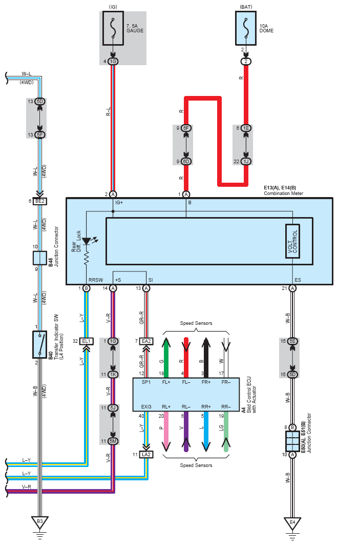
Fig 1: Rear Differential Lock System Wiring Diagram (1 Of 2)
G07116502Courtesy of © TOYOTA, LICENSE AGREEMENT TMS1002
Fig 2: Rear Differential Lock System Wiring Diagram (2 Of 2)
G07116503Courtesy of © TOYOTA, LICENSE AGREEMENT TMS1002