lemon-mirror:
Home >> Toyota >> 2011 >> FJ Cruiser RWD >> Repair and Diagnosis >> Electrical >> Body Electrical >> OEM System Circuits >> SRS >> Notes

OEM System Circuits: SRS: Notes

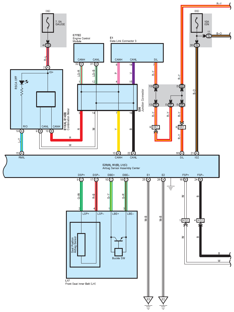
Fig 1: SRS System Wiring Diagram (1 Of 4)
G07116504Courtesy of © TOYOTA, LICENSE AGREEMENT TMS1002
Fig 2: SRS System Wiring Diagram (2 Of 4)
G07116505Courtesy of © TOYOTA, LICENSE AGREEMENT TMS1002
Fig 3: SRS System Wiring Diagram (3 Of 4)
G07116506Courtesy of © TOYOTA, LICENSE AGREEMENT TMS1002
Fig 4: SRS System Wiring Diagram (4 Of 4)
G07116507Courtesy of © TOYOTA, LICENSE AGREEMENT TMS1002