lemon-mirror:
Home >> Toyota >> 2011 >> Land Cruiser >> Repair and Diagnosis >> Electrical >> Body Electrical >> OEM System Circuits >> Cool Box >> Notes

Cool Box: Notes

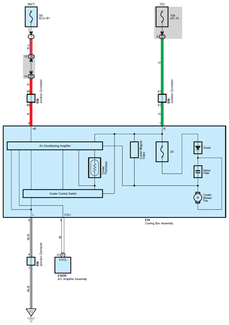
Fig 1: Cool Box System Wiring Diagram
G07116194Courtesy of © TOYOTA, LICENSE AGREEMENT TMS1002